Ministerio de Industria, Turismo y Comercio LogoMinisterior
 

Alerta

Resultados 947 resultados
LastUpdate Última actualización 18/03/2026 [07:08:00]
pdfxls
Publicaciones de solicitudes de patente de los últimos 60 días/Applications published in the last 60 days
previousPage Resultados 900 a 925 de 947 nextPage  

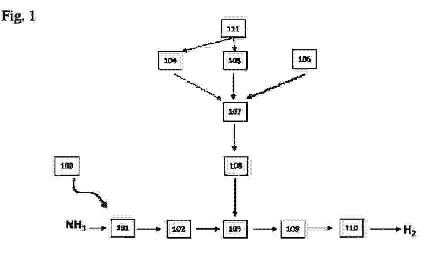
水素生成装置および発電装置

NºPublicación:  JP2026009582A 21/01/2026
Solicitante: 
株式会社アイテック
JP_2026009582_PA

Resumen de: JP2026009582A

【課題】 水素の生成を確実に効率良く行うことができる水素生成装置を提供する。【解決手段】 アルカリ性の反応液が貯留される反応槽10と、金属材料を含む原料を反応槽10に連続的に供給する原料供給装置20と、原料供給装置20の作動を制御する制御装置とを備え、反応槽10において金属材料と反応液とを反応させることにより水素を生成する装置1であって、反応槽10から排出される水素の流量を測定する流量測定部33を更に備え、制御装置は、流量測定部33の測定に基づき、反応槽10への原料の供給を制御する。【選択図】 図1

水素を含む合成ガス製品を生成するための方法

NºPublicación:  JP2026502115A 21/01/2026
Solicitante: 
レール・リキード-ソシエテ・アノニム・プール・レテュード・エ・レクスプロワタシオン・デ・プロセデ・ジョルジュ・クロード
JP_2026502115_PA

Resumen de: WO2024132577A1

A process for producing a synthesis gas product comprising hydrogen by an endothermic reaction of a feedstock, said process comprising the following steps: - Supplying a first fuel gas comprising at least 20% of ammonia at a first flow rate into a combustion chamber, - Supplying a second fuel gas comprising at least 10% of hydrogen at a second flow rate into the combustion chamber, at least a first portion of one of the fuel gas being delivered separately from the other fuel gas into the combustion chamber, - Supplying an oxidizing gas stream, - Performing a combustion of the supplied first fuel gas and the supplied second fuel gas with the supplied oxidizing gas stream in the combustion chamber to provide heat to the endothermic reaction.

水素を含む合成ガス製品を生成するための工程

NºPublicación:  JP2026502049A 21/01/2026
Solicitante: 
レール・リキード-ソシエテ・アノニム・プール・レテュード・エ・レクスプロワタシオン・デ・プロセデ・ジョルジュ・クロード
JP_2026502049_PA

Resumen de: WO2024132587A1

A process for producing a synthesis gas product by an endothermic reaction of a feedstock stream, said process comprising the following steps: - Providing an ammonia fuel stream, - Performing a first combustion in which the ammonia fuel stream is partially burned, generating heat and a combustion flue gas stream comprising an unburned portion of ammonia fuel stream being not burned, - Providing heat from the first combustion and from the combustion flue gas stream to the endothermic reaction, thereby obtaining a cooled flue gas stream, - Performing a second combustion of the cooled flue gas stream in which the unburned portion of ammonia fuel stream is burned, - Providing heat from the second combustion to the endothermic reaction.

TWO-ELECTRODE ELECTROCHEMICAL SYSTEM STABILIZATION

NºPublicación:  EP4681249A2 21/01/2026
Solicitante: 
UNIV MICHIGAN REGENTS [US]
KONG XIANGHUA [US]
GUO HONG [US]
The Regents Of The University Of Michigan,
Kong, Xianghua,
Guo, Hong
KR_20250168374_PA

Resumen de: AU2024240321A1

An electrochemical system includes a counter electrode and a working electrode spaced from the counter electrode. The working electrode includes a substrate, an array of conductive projections supported by the substrate and extending outwardly from the substrate, each conductive projection of the array of conductive projections having a semiconductor composition, and including a surface, the surface including nitrogen, and an oxynitride layer disposed on the surface. The counter electrode and the working electrode are arranged in a two-electrode configuration.

SOLID OXIDE-TYPE ELECTROLYTIC CELL SYSTEM

NºPublicación:  EP4682296A1 21/01/2026
Solicitante: 
AISIN CORP [JP]
AISIN CORPORATION
EP_4682296_PA

Resumen de: EP4682296A1

A solid oxide-type electrolysis cell system includes: a solid oxide-type electrolysis cell; a combustion unit configured to combust a fuel electrode off-gas from a fuel electrode of the solid oxide-type electrolysis cell; a case that has a heat insulating property and houses the solid oxide-type electrolysis cell and the combustion unit; a water and steam supply unit configured to supply water or steam to a fuel supply line connected to the fuel electrode; a preheating unit provided in the case and configured to preheat water or steam flowing through the fuel supply line by combustion heat of the combustion unit; a condensation unit provided outside the case and configured to condense steam contained in the fuel electrode off-gas from the fuel electrode; and a combustion reflux line configured to reflux a part of the fuel electrode off-gas having passed through the condensation unit by driving a pump and to supply the part of the fuel electrode off-gas to the combustion unit.

SOLID OXIDE ELECTROCHEMICAL CELL SYSTEM

NºPublicación:  EP4682295A1 21/01/2026
Solicitante: 
AISIN CORP [JP]
AISIN CORPORATION
EP_4682295_PA

Resumen de: EP4682295A1

A solid oxide electrolysis cell system includes: a solid oxide electrolysis cell; a heat storage unit configured to store exhaust heat from outside of the system; a steam generation unit provided in a fuel supply line extending from a water source to a fuel electrode of the solid oxide electrolysis cell and configured to generate steam by using the heat stored in the heat storage unit; and a heat exchange unit provided downstream of the steam generation unit in the fuel supply line and configured to heat, by using the exhaust heat from the solid oxide electrolysis cell, the steam.

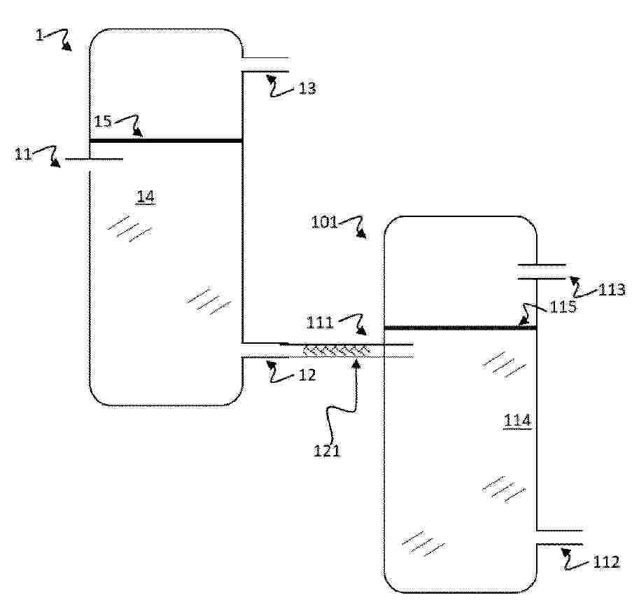
WATER ELECTROLYSIS PLANT COMPRISING ONE OR MORE DEGASSERS IN SERIES WITH A STATIC MIXER IN THE SUPPLY PIPE

NºPublicación:  EP4680359A1 21/01/2026
Solicitante: 
JOHN COCKERILL HYDROGEN BELGIUM [BE]
John Cockerill Hydrogen Belgium
CN_120957794_PA

Resumen de: CN120957794A

The present invention relates to the technical field of electrolysis and, in particular, to a degassing device for an electrolysis plant for producing dihydro (H2) and dioxygen (O2) by electrolyzing water. According to the invention, the apparatus comprises a degassing device (1, 101) comprising a degassing chamber (14, 114), the degassing chamber (14, 114) is provided with an opening for a gas-liquid mixture supply pipe (11, 111), an opening for a liquid discharge pipe (12, 112) arranged below the level of the gas-liquid interface (15, 115) of the degassing chamber (14, 114), and an opening for a gas discharge pipe (13, 113) arranged above the level of the gas-liquid interface (15, 115) of the degassing chamber (14, 114). Furthermore, a static mixer (21, 121) is inserted into the gas-liquid mixture supply tube (11, 111).

A GEOTHERMAL HYDROGEN PRODUCTION AND COMPRESSION SYSTEM

NºPublicación:  EP4680859A1 21/01/2026
Solicitante: 
GOOD WATER ENERGY LTD [AU]
Good Water Energy Ltd
KR_20250160187_PA

Resumen de: AU2024236667A1

The present disclosure is directed to a geothermal hydrogen production and compression system, wherein the system comprises an impure water intake to receive water from a impure water source, at least one geothermal well having a well inlet to receive the impure water from the impure water intake in to the geothermal well and one or more well outlets adapted to return heated impure water from the geothermal well, one or more well outlets being adapted to direct the heated impure water from the geothermal well through a steam engine providing a mechanical output, a purification plant comprising one or more purification chambers for separating impurities from the heated impure water expelled from the steam engine to produce at least some fresh water, one or more discharge outlets to discharge one or more products of the purification plant wherein the fresh water is directed to an electrolyser for electrolysis to produce hydrogen gas, where the hydrogen gas is passed through a hydrogen compressor coupled to the mechanical output and pressurised in a storage apparatus.

一种多干燥器交替选择性氢气纯化系统

NºPublicación:  CN121360464A 20/01/2026
Solicitante: 
武汉兴达高技术工程有限公司
CN_121360464_PA

Resumen de: CN121360464A

本发明涉及氢气纯化的技术领域,尤其涉及一种多干燥器交替选择性氢气纯化系统,包括:除杂组件,包括气水分离部件、与气水分离部件相连的脱氧件以及与脱氧件相连的氢气冷却件;干燥组件,所述干燥组件设置有若干组,每组所述干燥组件包括与氢气冷却件相连的再生冷却件以及与再生冷却件相连的干燥部件;切换组件,所述切换组件设置在氢气冷却件与多组干燥组件之间,利用多组干燥箱体所形成的不同工作状态,从而对氢气的纯化进行不同层级的操作,增加氢气纯化的效率和纯化成品率。

一种CeFe@C/NF自支撑电催化材料、制备方法及应用

NºPublicación:  CN121362996A 20/01/2026
Solicitante: 
西安石油大学
CN_121362996_PA

Resumen de: CN121362996A

本发明涉及电催化材料技术领域,尤其是CeFe@C/NF自支撑电催化材料、制备方法及应用,包括将铁盐、对苯二甲酸和苯甲酸溶解在N,N‑二甲基甲酰胺、乙醇和水的混合溶液中,然后进行第一次水热反应,煅烧,得到Fe基MOF前驱体MIL‑53(Fe)的衍生物粉末;将Fe基MOF前驱体MIL‑53(Fe)的衍生物粉末、硝酸铈六水化合物和聚乙烯吡咯烷酮加入到乙醇、乙二醇和水的混合溶液中,混合均匀,得到混合溶液;将泡沫镍放入混合溶液中进行第二次水热反应,得到CeFe@C/NF自支撑电催化材料。该方法通过采用一元羧酸苯甲酸作为结构调控剂获得显微结构和晶体结构可控的超薄纳米片状Fe基MOF前驱体MIL‑53(Fe)纳米片,将其煅烧后并与CeO2原位负载,解决了现有技术中存在的电催化剂制作成本高,过电势较高和催化活性较低问题。

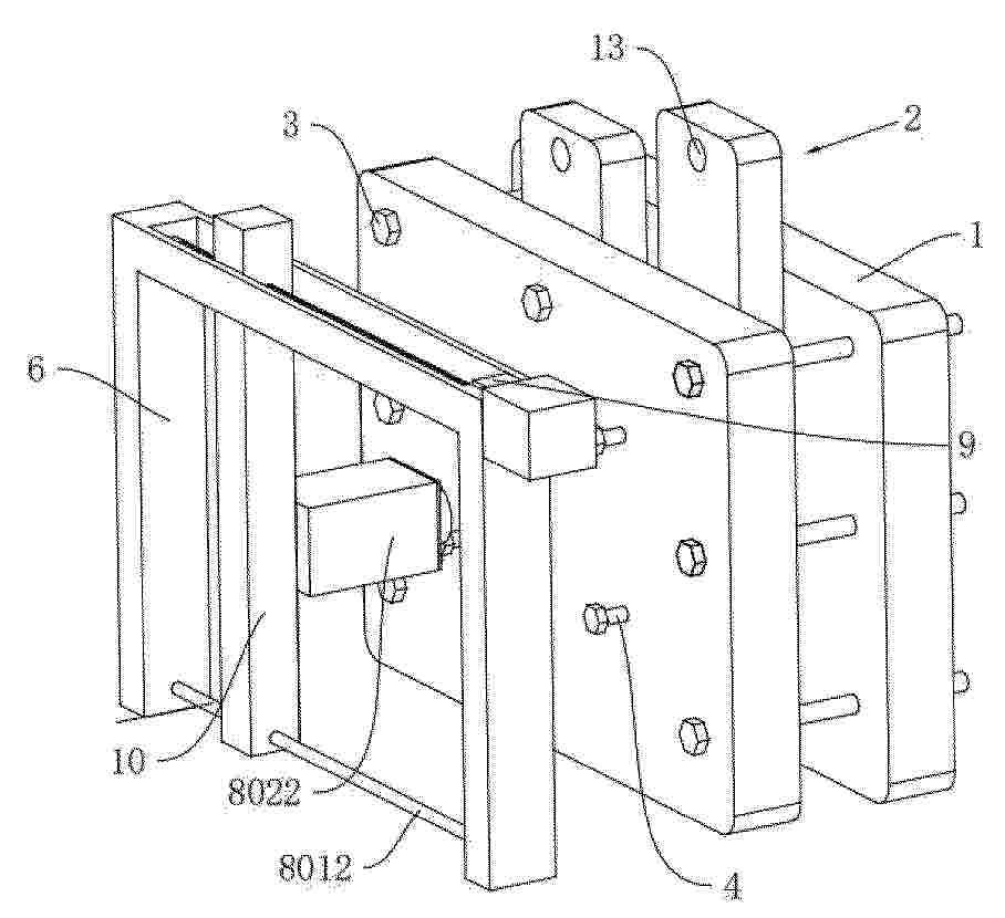
电池堆叠件的板状元件和电池堆叠件

NºPublicación:  CN121368647A 20/01/2026
Solicitante: 
舍弗勒技术股份两合公司
CN_121368647_PA

Resumen de: WO2025051333A1

The invention relates to a plate-like element (10) of a cell stack (2) of an electrochemical system (1), having a first plate side (26), a second plate side (27), a plurality of openings (13, 21, 22, 23, 23') and a first structure (14) for forming a flow field for coolant and several further structures (14') for forming distributors for operating media on the first plate side (26). The structure (14) comprises a coolant conducting structure (15, 16) through which a first coolant path (15) and a second coolant path (16) arranged mirror-symmetrically thereto are formed, each of which have, starting from one of the openings (21), an elongate inflow portion (17), a centre portion (18) which starts from the inflow portion (17), fans out and describes at least one meandering bend (19), and an elongate outflow portion (20) which adjoins the centre potion (18) and is narrower than the centre portion (18). A longitudinal axis (30) of the inflow portion (17) of the first coolant path (15) matches a longitudinal axis (30) of the outflow portion (20) of the second coolant path (16), and a longitudinal axis (30') of the inflow portion (17) of the second coolant path (16) matches a longitudinal axis (30') of the outflow portion (20) of the first coolant path (15). The invention also relates to a cell stack (2) comprising a plurality of such plate-like elements (10) which are parallel to one another.

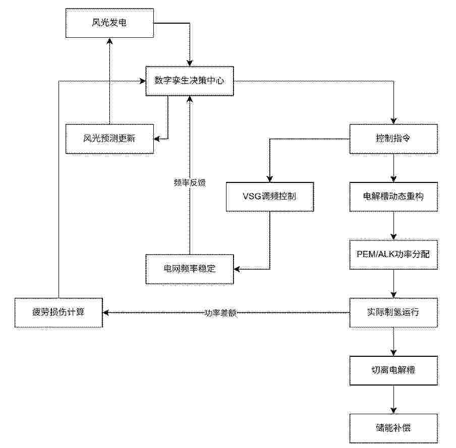
Method for improving flexibility of hydrogen production system based on multi-source collaboration and self-adaptive regulation and control

NºPublicación:  CN121367208A 20/01/2026
Solicitante: 
STATE GRID JILIN ELECTRIC POWER SUPPLY COMPANY ELECTRIC POWER RES INSTITUTE
\u56FD\u7F51\u5409\u6797\u7701\u7535\u529B\u6709\u9650\u516C\u53F8\u7535\u529B\u79D1\u5B66\u7814\u7A76\u9662
CN_121367208_PA

Resumen de: CN121367208A

The invention discloses a hydrogen production system flexibility improving method based on multi-source cooperation and self-adaptive regulation and control, and belongs to the technical field of new energy. The method is executed by taking a digital twinborn body as a global decision center, and comprises the following steps: acquiring predicted data of wind-solar power generation power, a real-time frequency deviation signal of a power grid and an operation state of each electrolytic cell in a hydrogen production system; based on the prediction data and the frequency deviation signal of the wind-solar power generation power, a global optimization scheduling instruction is generated by taking improvement of the flexibility and the economy of the system as a target; according to the global optimization scheduling instruction, cooperatively controlling dynamic reconfiguration of the electrolytic cell and applying virtual synchronous generator (VSG) control to a hydrogen production load; and actual operation data after cooperative control are collected and fed back to the equipment fatigue loss analysis model and the wind and light output prediction model for dynamic correction of fatigue damage evaluation and power prediction in the next period. According to the method, the operation cost of the system is effectively reduced, and meanwhile the flexibility of the new energy hydrogen production system is greatly improved.

State control method of hybrid electrolytic cell array and computer equipment

NºPublicación:  CN121363003A 20/01/2026
Solicitante: 
CHINA DATANG GROUP TECH INNOVATION CO LTD
\u4E2D\u56FD\u5927\u5510\u96C6\u56E2\u79D1\u6280\u521B\u65B0\u6709\u9650\u516C\u53F8
CN_121363003_PA

Resumen de: CN121363003A

The invention provides a state control method for a mixed type electrolytic cell array and computer equipment, and the method comprises the steps: obtaining the real-time wind power in a wind power hydrogen production system and the running state of electrolytic cells in a plurality of electrolytic cell arrays in the wind power hydrogen production system, and obtaining the running state of the electrolytic cells in the plurality of electrolytic cell arrays according to the real-time wind power; the number of required electrolytic cells corresponding to all the electrolytic cell arrays is obtained, the electrolytic cells in all the electrolytic cell arrays are grouped according to the running states of the electrolytic cells in all the electrolytic cell arrays, and multiple electrolytic cell sets corresponding to all the electrolytic cell arrays are obtained and comprise the first electrolytic cell set in the production state, the second electrolytic cell set in the production state and the third electrolytic cell set in the production state; and according to the number of the required electrolytic cells and the number of the electrolytic cells of the first electrolytic cell group, the operation states of the electrolytic cells in part of the electrolytic cell groups are controlled and switched. Therefore, the running state of the electrolytic cell can be adaptively adjusted according to dynamic changes of wind power, and the wind energy utilization rate and the hydrogen produ

一种金属单原子析氢催化剂及其制备方法

NºPublicación:  CN121362990A 20/01/2026
Solicitante: 
西安交通大学
CN_121362990_PA

Resumen de: CN121362990A

本发明属于水电解制氢催化剂技术领域,涉及一种金属单原子析氢催化剂及其制备方法,催化剂中包括大量的金属单原子以及少量金属团簇,金属在催化剂中处于氧化状态,催化剂中存在晶态PMA;催化剂中C60与PMA结构共存;制备方法包括:将乙酰丙酮金属络合物、磷钼酸与富勒烯分别溶于4A型分子筛的甲苯溶液中,并分别依序混合并磁力搅拌后洗涤、离心获得金属单原子析氢催化剂;本发明金属单原子析氢催化剂具有优秀的HER性能,室温合成策略实现了高负载量、高分散的金属单原子桥接C60与PMA的PMA‑M‑C60催化剂,且催化成本更低。

水素を含む合成ガス生成物を製造する方法

NºPublicación:  JP2026501977A 20/01/2026
Solicitante: 
レール・リキード-ソシエテ・アノニム・プール・レテュード・エ・レクスプロワタシオン・デ・プロセデ・ジョルジュ・クロード
JP_2026501977_PA

Resumen de: WO2024132579A1

A process for producing a synthesis gas product comprising hydrogen from an endothermic cracking reaction of an ammonia feedstock stream, comprising the following steps: - Providing an ammonia feedstock stream, - Performing a catalytic conversion by catalytically converting the ammonia feedstock stream by cracking endothermically said ammonia feedstock stream into a synthesis gas product comprising hydrogen, - Performing heat exchanges step by performing heat exchanges between the synthesis gas product and the catalytic conversion of the ammonia feedstock stream, said heat exchanges step comprising the following steps: • Discharging the synthesis gas product in a synthesis gas product circulation duct, said duct being arranged for the heat exchanges between the discharged synthesis gas product and the catalytic conversion of the ammonia feedstock stream, • Recovering heat from the discharged synthesis gas product, • Directing the recovered heat to the catalytic conversion of the ammonia feedstock stream.

Composite modified anti-pollution proton exchange membrane and preparation method thereof

NºPublicación:  CN121366919A 20/01/2026
Solicitante: 
JIANGSU GOLDEN MATERIAL TECH CO LTD
\u6C5F\u82CF\u91D1\u6750\u79D1\u6280\u6709\u9650\u516C\u53F8
CN_121366919_A

Resumen de: CN121366919A

The invention discloses a composite modified anti-pollution proton exchange membrane and a preparation method thereof, belongs to the technical field of proton exchange membranes, and is suitable for hydrogen fuel cells, microbial fuel cells and water electrolysis hydrogen production equipment. In order to solve the problems that an existing proton exchange membrane is single in anti-pollution dimension, high in cost depending on precious metal and insufficient in acid resistance and mechanical performance, a three-layer functional structure is adopted and comprises a free radical pollution resisting outer layer, a composite pollution resisting middle layer and a water retention enhancing inner layer, a precious metal-free composite modifier is matched, and key process parameters such as pretreatment and functional liquid preparation are defined. The membrane realizes cooperation of pollution resistance, high conductivity, acid resistance and mechanical properties, and is suitable for multi-scene application.

一种用于提升电解水耦合氕氘分离分离比的电解液添加剂及电解液

NºPublicación:  CN121362976A 20/01/2026
Solicitante: 
深圳氢致能源有限公司
CN_121362976_PA

Resumen de: CN121362976A

本发明属于电解水技术领域,具体涉及一种用于提升电解水耦合氕氘分离分离比的电解液添加剂及电解液。所述电解液添加剂选自:有机添加剂或无机添加剂中的一种或几种;所述有机添加剂选自羧基类有机物、胺基类有机物、酰胺类有机物中的一种或几种;所述无机添加剂选自钠盐、钾盐、锂盐中的一种或多种。本发明首次在保持电极析氢活性的同时,实现氕氘分离分离比的进一步提升,普适性应用于所有碱性电解水/电解海水材料氕氘分离比的提升,所述有机或无机添加剂能将氕氘分离比从原有的5.4最高提升至11.3。

一种反应区域均压的电解槽端板结构

NºPublicación:  CN121362980A 20/01/2026
Solicitante: 
上海舜华新能源系统有限公司
CN_121362980_PA

Resumen de: CN121362980A

本申请公开了一种反应区域均压的电解槽端板结构,涉及水电解制氢领域,其包括两个端压板、设置在两个端压板之间用于电解制氢的电解组件,两个所述端压板上穿设有紧固螺栓,其中一个所述端压板上设置有若干抑制端压板弯曲变形的均压电动螺栓,在另一所述端压板上设置有与均压电动螺栓对应的压力传感器,所述均压电动螺栓的一侧设置有支撑架,所述支撑架上设置有用于调节均压电动螺栓松紧度的松紧组件,所述支撑架上设置有驱动松紧组件移动的驱动机构,所述支撑架上还设置有用于控制驱动机构驱使松紧组件移动并拧转均压电动螺栓的PLC控制器。本申请自动调节受力不均的端压板,抑制端压板弯曲变形,解决电极与隔膜因端板变形导致的接触不紧密问题。

Preparation method and application of Tailing-shaped high-entropy alloy catalyst under interlayer confinement

NºPublicación:  CN121362991A 20/01/2026
Solicitante: 
UNIV OF ELECTRONIC SCIENCE AND TECHNOLOGY OF CHINA
\u7535\u5B50\u79D1\u6280\u5927\u5B66
CN_121362991_PA

Resumen de: CN121362991A

The invention relates to a preparation method and application of a Turing-shaped high-entropy alloy catalyst under an interlayer confinement range, and belongs to the technical field of catalyst preparation and electro-catalysis. According to the method, materials are ingeniously taken, commercialized crystalline flake graphite which is low in cost and resistant to acid and alkali corrosion is particularly selected to be combined with aniline to assist metal salt cation coordination, and simple mixing and sufficient intercalation are conducted firstly. And finally, performing in-situ pyrolysis on the metal salt ions confined between the carbon layers through low-temperature heat treatment, and promoting the formation of a Turing structure pattern with uniform size and uniform distribution by virtue of a confinement diffusion-reaction mechanism, so as to successfully obtain the Turing-shaped high-entropy alloy catalyst. In a performance test, the catalyst shows excellent three-function electro-catalysis HER/ORR/OER activity and stability under an alkaline medium. Furthermore, an oxygen electricity-hydrogen electricity sustainable energy system based on self-driving of the metal-air battery is constructed by virtue of the excellent multifunctional catalytic performance of the catalyst.

一种氢氧化镍/无定形黑磷电极电催化水分解装置

NºPublicación:  CN121362998A 20/01/2026
Solicitante: 
中国计量大学
CN_121362998_PA

Resumen de: CN121362998A

本发明公开了一种氢氧化镍/无定形黑磷电极电催化水分解装置,属于电化学技术领域。本发明通过构建黑磷基过渡金属氧化物界面电子传输工程,设计了一种无定形黑磷与β‑氢氧化镍复合的高效OER催化体系,具有制备方法简便、界面调控精准等优点。相比于单一的β‑氢氧化镍催化剂,黑磷的引入显著增强了复合材料的电子传输能力和结构稳定性,从而提升了催化活性与稳定性。相比于晶态黑磷,无定形黑磷由于具有更高的载流子迁移率,进一步增强了界面电荷转移,促进了活性位点的动态维持,确保了反应过程的持续高效性。本发明所搭建的电催化水分解装置,在光照条件下能够高效地促进水分子的分解,为构建太阳能驱动水分解体系提供了可行性。

电解水电极、电解水阳极、电解水阴极、电解水单元和电解水装置

NºPublicación:  CN121368651A 20/01/2026
Solicitante: 
松下知识产权经营株式会社
CN_121368651_PA

Resumen de: WO2024262445A1

An electrode 1 for water electrolysis comprises a conductive substrate 10 and a layered double hydroxide (LDH) layer 20. The layered double hydroxide layer 20 is provided to a surface of the conductive substrate 10. The effective film thickness of the layered double hydroxide layer 20 is 250 nm or more and less than 4,000 nm. The layered double hydroxide layer 20 may contain a layered double hydroxide 20a. The effective film thickness of the layered double hydroxide layer 20 may be 3,470 nm or less.

一种低成本高活性电解水催化电极材料制备方法及其应用

NºPublicación:  CN121362986A 20/01/2026
Solicitante: 
常德力元新材料有限责任公司
CN_121362986_A

Resumen de: CN121362986A

本发明公开了一种低成本高活性电解水催化电极材料制备方法及其应用,所述制备方法包括:以泡沫镍为基体,依次进行超声波酸洗活化、化学镀和热处理,其中,化学镀液包含硫酸镍、水合肼、络合剂和稳定剂。本发明通过化学镀在三维泡沫镍基体上原位还原沉积金属镍,形成了与基体具有同源性强结合力的催化镀层,有效解决了传统喷涂雷尼镍催化剂易脱落的问题,因此,本发明所制备的电解水催化电极兼具高催化活性和高镀层结合力,而且,本发明制备工艺环保、成本低廉,在电解水制氢领域具有广阔的应用前景。

Efficient ammonia hydrogen production system coupled with heat storage device and implementation method of efficient ammonia hydrogen production system

NºPublicación:  CN121363837A 20/01/2026
Solicitante: 
CNOOC GAS & POWER GROUP CO LTD
\u4E2D\u6D77\u77F3\u6CB9\u6C14\u7535\u96C6\u56E2\u6709\u9650\u8D23\u4EFB\u516C\u53F8
CN_121363837_PA

Resumen de: CN121363837A

The invention relates to an efficient ammonia hydrogen production system coupled with a heat storage device and an implementation method thereof, and the system comprises an ammonia hydrogen production system used for providing hydrogen for a hydrogenation system; the hydrogenation system is connected with the ammonia hydrogen production system and is used for compressing hydrogen and filling the hydrogen to a user; and the refrigerating system is respectively connected with the ammonia hydrogen production system and the hydrogenation system and is used for cooling the hydrogen in the filling process and preventing the hydrogen from overtemperature in the filling process. The hydrogen production cost can be reduced, the system stability and safety are improved, and efficient conversion and storage of energy are achieved.

一种缺陷NH2-Ni-MOF、制备方法及应用

NºPublicación:  CN121362335A 20/01/2026
Solicitante: 
广东碳语新材料有限公司
CN_121362335_PA

Resumen de: CN121362335A

本发明公开了一种缺陷NH2‑Ni‑MOF、制备方法及应用,属于压电光催化制氢领域。该方法是首先通过溶剂热法合成前驱体NH2‑Ni‑MOF,让卖家将NH2‑Ni‑MOF材料与研磨球一同放入球磨机中,进行研磨,得到缺陷NH2‑Ni‑MOF;所述的研磨球为5个直径为10 mm的大球与15个直径为5 mm的小球的混合。本发明采用特定比例大小磨球混合研磨制得的D3‑NH2‑Ni‑MOF,实现了高能冲击与高频研磨的协同效应,成功引入了最大浓度的晶格缺陷。该缺陷结构能有效促进光生载流子的分离与迁移,并增强材料在超声作用下的压电极化效应,从而显著提升压电协同光催化性能。在太阳光照及超声振动共同作用下,将D3‑NH2‑Ni‑MOF催化剂分散于甲醇水溶液中,可实现高效且稳定的水分解产氢活性。

一种具有原子级共格界面的CdS/TiO2异质结复合光催化剂的制备方法

Nº publicación: CN121360589A 20/01/2026

Solicitante:

北京工业大学

CN_121360589_A

Resumen de: CN121360589A

一种具有原子级共格界面的CdS/TiO2异质结复合光催化剂的制备方法,属于光催化领域。特别是涉及通过溶剂热法‑原位水热法制备所述光催化剂的方法,属于催化化学与环境能源技术领域。本发明通过引入十二胺DDA作为界面调控剂,并精确控制水热合成工艺参数,成功地在商业化TiO2表面原位生长出与其晶格高度匹配的CdS纳米晶,从而形成原子级连续的共格界面。该共格界面结构能显著降低界面电荷转移电阻,极大促进光生电子‑空穴对的高效分离与迁移,从而大幅提升了光催化产氢性能。本发明的催化剂在无助催化剂条件下的析氢速率达到18.44 mmol·g‑1·h‑1,是传统非共格界面异质结的2.25倍,具有优异的循环稳定性。

traducir