Ministerio de Industria, Turismo y Comercio LogoMinisterior
 

Alerta

Resultados 1383 resultados
LastUpdate Última actualización 29/10/2025 [07:38:00]
pdfxls
Publicaciones de los últimos 15 días/Last 15 days publications (excluidas pubs. CN y JP /CN and JP pubs. excluded)
previousPage Resultados 200 a 225 de 1383 nextPage  

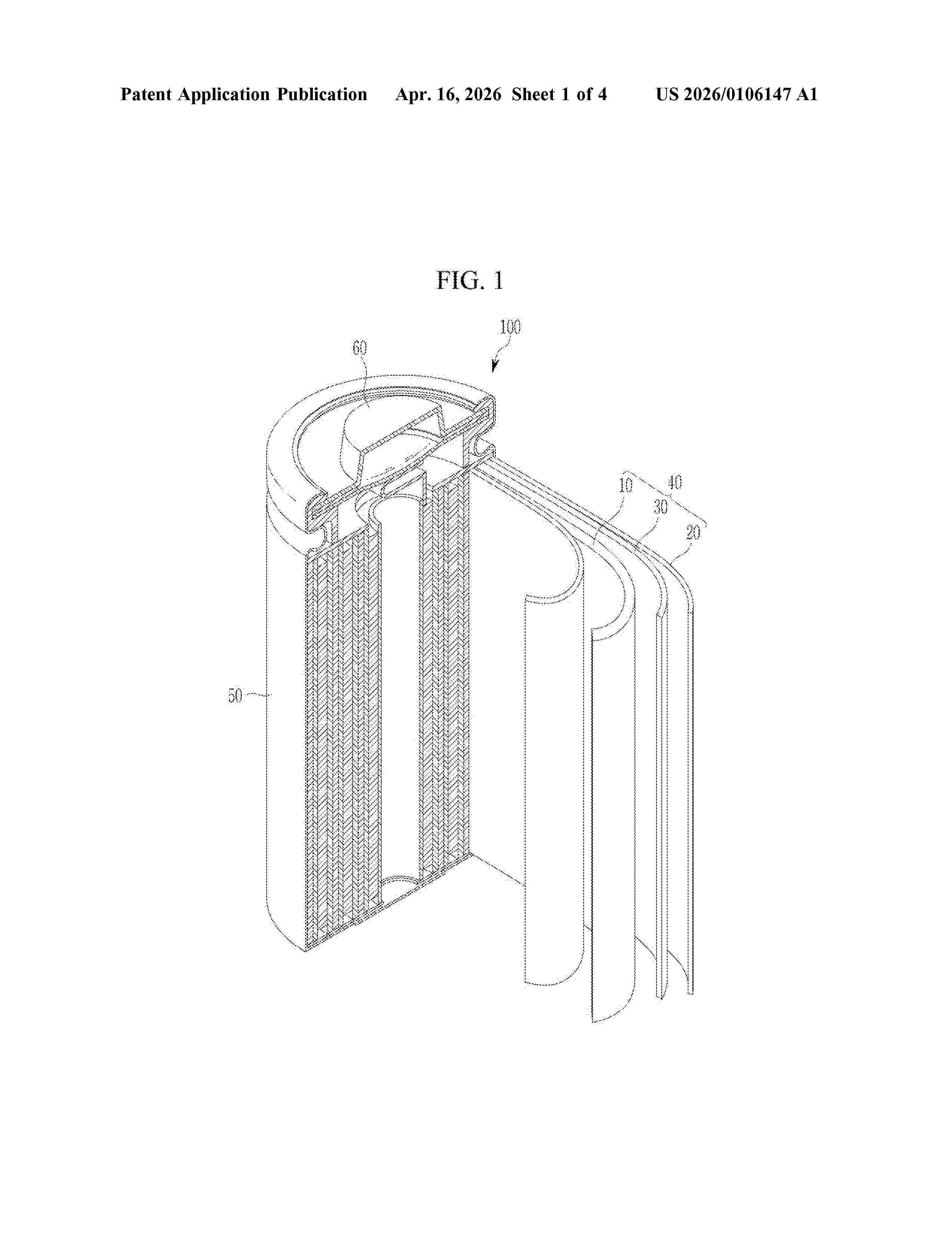
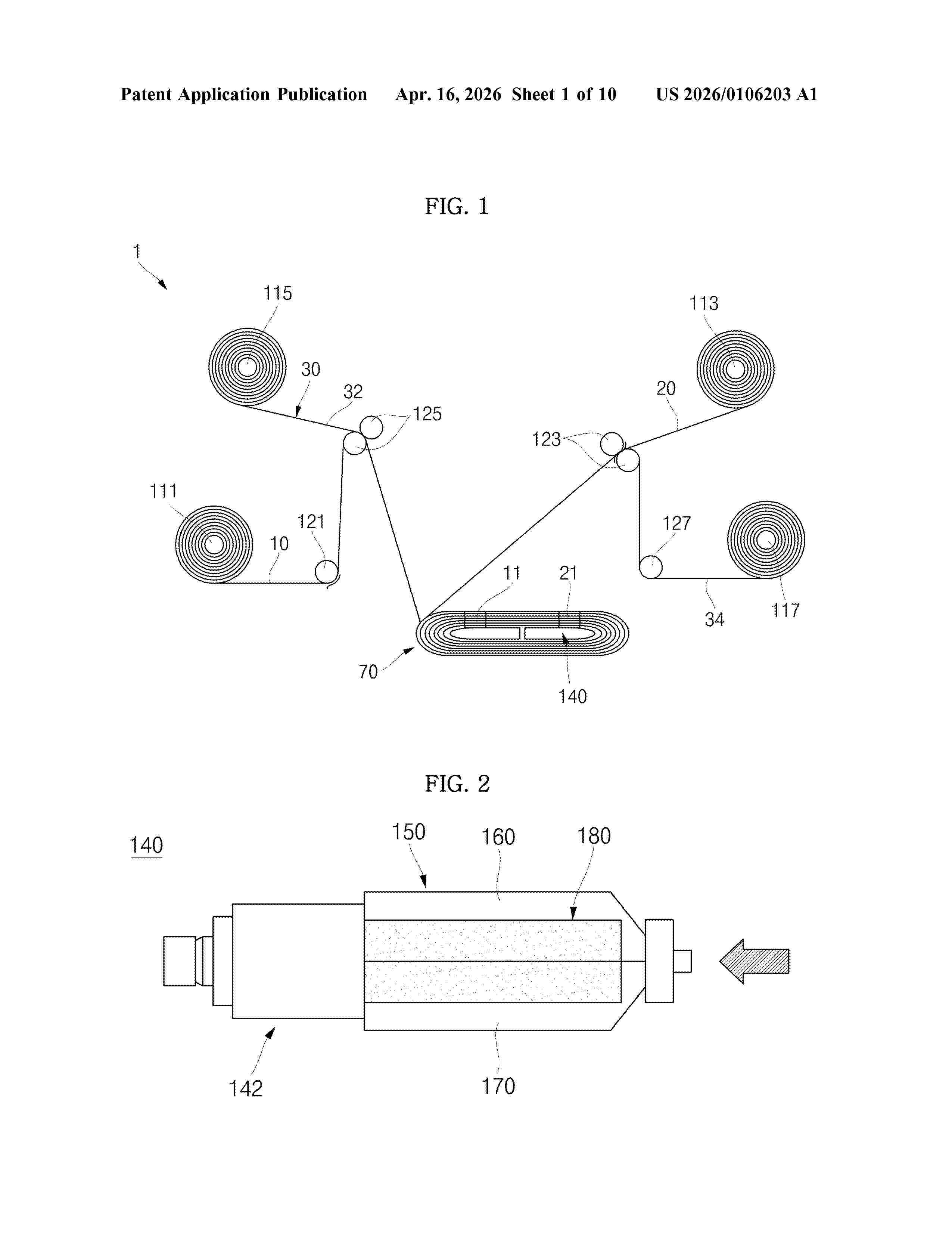
POWER STORAGE DEVICE

NºPublicación:  US2025329856A1 23/10/2025
Solicitante: 
TOYOTA MOTOR CO LTD [JP]
TOYOTA JIDOSHA KABUSHIKI KAISHA
US_2025329856_PA

Resumen de: US2025329856A1

In a power storage device, a plurality of cells are arranged in a first direction. A plurality of buffer portions are disposed on the plurality of cells. Each of the plurality of cells includes an upper surface portion facing upward. The upper surface portion includes a first end edge and a second end edge. The first end edge and the second end edge extend along a second direction, the second direction being a direction along the horizontal direction and orthogonal to the first direction. The plurality of buffer portions are spaced apart from each other on the upper surface portions of the plurality of cells, and at least one of the plurality of buffer portions is provided at at least one of the first end edge and the second end edge of each of the plurality of cells.

COVER PLATE, BATTERY, AND ELECTRONIC DEVICE

NºPublicación:  US2025329864A1 23/10/2025
Solicitante: 
AESC JAPAN LTD [JP]
AESC Japan Ltd
US_2025329864_PA

Resumen de: US2025329864A1

A cover plate, a battery and an electronic device is provided. The cover plate includes an integrally formed non-structurally fragile portion and a structurally fragile portion. The structural strength of the structurally fragile portion is lower than the structural strength of the non-structurally fragile portion. The structurally fragile portion is configured to be destroyed when the battery releases internal pressure. At least part of the outer side of the structurally fragile portion is covered with a phosphorus-containing nickel plating layer.

POSITIVE ELECTRODE ACTIVE MATERIAL, POSITIVE ELECTRODE PLATE, AND NON-AQUEOUS ELECTROLYTE SECONDARY BATTERY

NºPublicación:  US2025329716A1 23/10/2025
Solicitante: 
PRIME PLANET ENERGY & SOLUTIONS INC [JP]
Prime Planet Energy & Solutions, Inc
US_2025329716_A1

Resumen de: US2025329716A1

A positive electrode active material comprises a first active material having an average particle size (D50) from 2 to 10 μm, and a second active material having an average particle size (D50) from 12 to 20 μm. The first active material includes first particles that are a lithium-(transition metal) composite oxide, the first particles are at least one of single particles and secondary particles, and the secondary particles each consist of 2 to 10 primary particles aggregated together. The second active material includes second particles that are a lithium-(transition metal) composite oxide, and the second particles are secondary particles each consisting of 50 or more primary particles aggregated together. The second active material has a sphere degree from 0.770 to 0.810.

LITHIUM-ION SECONDARY BATTERY

NºPublicación:  US2025329724A1 23/10/2025
Solicitante: 
SEMICONDUCTOR ENERGY LABORATORY CO LTD [JP]
SEMICONDUCTOR ENERGY LABORATORY CO., LTD
US_2025329724_PA

Resumen de: US2025329724A1

A lithium-ion secondary battery having excellent discharge characteristics even in a low-temperature environment is provided. The lithium-ion secondary battery includes a positive electrode, a negative electrode, and an electrolyte solution. The positive electrode includes lithium cobalt oxide with a median diameter (D50) of greater than or equal to 1 μm and less than or equal to 12 μm. The lithium cobalt oxide contains magnesium in its surface portion. The negative electrode includes a graphite particle, a silicon particle, and a polymer including a carboxy group. The electrolyte solution contains a mixed solvent of a fluorinated cyclic carbonate and a fluorinated chain carbonate.

ELECTRODE, SECONDARY BATTERY, AND ELECTRONIC DEVICE

NºPublicación:  US2025329743A1 23/10/2025
Solicitante: 
NINGDE AMPEREX TECH LIMITED [CN]
Ningde Amperex Technology Limited
US_2025329743_PA

Resumen de: US2025329743A1

An electrode includes: an electrode active material layer, the electrode active material layer including an electrode active material and a conductive agent, where the conductive agent includes carbon nanotube clusters, the carbon nanotube clusters being composed of a plurality of bundled carbon nanotube units, and a diameter of the carbon nanotube clusters is greater than 0.2 μm.

Lithium Metal Anode and Battery

NºPublicación:  US2025329714A1 23/10/2025
Solicitante: 
PURE LITHIUM CORP [US]
Pure Lithium Corporation
US_2025329714_PA

Resumen de: US2025329714A1

A lithium metal electrode has no more than five ppm of non-metallic elements by mass, and is bonded to a conductive substrate. Optionally, the lithium metal electrode may be bonded on one side to a conductive substrate and on another side to a lithium ion selective membrane. The lithium metal electrode may be integrated into lithium metal batteries. The inventive lithium metal electrode may be manufactured by a process involving electrolysis of lithium ions from an aqueous lithium salt solution through an ion selective membrane, carried out under a blanketing atmosphere having no more than 10 ppm of non-metallic elements, the electrolysis being performed at a constant current between about 10 mA/cm2 and about 50 mA/cm2, and wherein the constant current is applied for a time between about 1 minute and about 60 minutes.

AQUEOUS BATTERY

NºPublicación:  US2025329726A1 23/10/2025
Solicitante: 
TOYOTA JIDOSHA KK [JP]
TOYOTA JIDOSHA KABUSHIKI KAISHA
US_2025329726_PA

Resumen de: US2025329726A1

Disclosed is a novel active material operatable in an aqueous battery. The aqueous battery of the present disclosure includes a positive electrode, an aqueous electrolyte solution and a negative electrode. The positive electrode includes a positive electrode active material, and the negative electrode includes a negative electrode active material. One of or both the positive electrode active material and the negative electrode active material include(s) a composite oxide. The composite oxide contains Na, at least one transition metal element of Fe, Ti, Ni and Mn, and O. The aqueous electrolyte solution contains water and potassium polyphosphate dissolved in the water.

SECONDARY BATTERY

NºPublicación:  US2025329771A1 23/10/2025
Solicitante: 
SAMSUNG SDI CO LTD [KR]
Samsung SDI Co., Ltd
US_2025329771_PA

Resumen de: US2025329771A1

A secondary battery includes: an electrode assembly comprising a first electrode plate, a second electrode plate, and a separator, the electrode assembly being formed such that a first uncoated portion connected to the first electrode plate is located on one side of the electrode assembly in a width direction and a second uncoated portion connected to the second electrode plate is on an opposite side of the electrode assembly in the width direction; a pouch unit accommodating the electrode assembly; a first electrode terminal electrically connected to the first uncoated portion and located on one side of the pouch unit in the width direction; and a second electrode terminal electrically connected to the second uncoated portion and located on an opposite side of the pouch unit in the width direction.

ELECTRODE ASSEMBLY, BATTERY, AND ELECTRIC DEVICE

NºPublicación:  US2025329712A1 23/10/2025
Solicitante: 
NINGDE AMPEREX TECH LIMITED [CN]
Ningde Amperex Technology Limited
US_2025329712_PA

Resumen de: US2025329712A1

An electrode assembly includes a tab, a first insulating layer, and a second insulating layer. The first electrode plate includes a first current collector and first active material layers applied on two sides of the first current collector. The first active material layer is provided with a tab groove, and the tab groove is provided with a tab. At least one surface of the first active material layer is provided with a thinned region in communication with the tab groove. The thinned region includes a first depression apart from the tab groove in the first direction, and a second depression provided between the first depression and the tab groove. The first insulating layer is provided in the second depression. A projection of the second insulating layer in the first direction is located in the first depression.

Solid State Batteries, SSE Batteries, Lithium Metal Batteries with Solid State Electrolytes, HSSE, Separators, and/or Coatings, and/or Related Methods

NºPublicación:  US2025329778A1 23/10/2025
Solicitante: 
CELGARD LLC [US]
CELGARD, LLC
US_2025329778_PA

Resumen de: US2025329778A1

The problems or issues faced by typical larger SSE batteries are solved by providing an interface or interfacial layer at least between the anode, which comprises Li or Na, and the solid state electrolyte (SSE). In some other embodiments, an interfacial layer may be provided between the anode, which comprises Li or Na, and the SSE, and an interface or interfacial layer may also be provided between the cathode and the SSE. In at least selected embodiments, aspects or objects, the interfacial layer may act as a shock absorber between a SSE (e.g., a sulfide glass SSE) and an anode material that is soft compared to the SSE (e.g., Li metal). In other embodiments, the interfacial layer may act as a shock absorber between the SSE and a cathode material that is softer than the SSE. In at least certain embodiments, the interfacial layer may improve ionic conductance between the anode and the SSE and/or the SSE and the cathode. In at least certain selected embodiments, the interfacial layer may prevent or deter lithium deposition and dendrite growth at the interface between the anode and the SSE. Interface defects at the interface between the anode and the SSE may allow lithium deposition and dendrite growth. The dendrites may continue to grow through cracks in the SSE causing a short, which is a safety issue. The inventive interfacial layer between the anode and the SSE may prevent or deter this. In at least some embodiments, the interfacial layer may be a porous polymer layer filled

ELECTRODE PLATE STACKING APPARATUS AND ELECTRODE PLATE STACKING METHOD USING SAME

NºPublicación:  US2025329772A1 23/10/2025
Solicitante: 
SAMSUNG SDI CO LTD [KR]
Samsung SDI Co., Ltd
US_2025329772_PA

Resumen de: US2025329772A1

Provided are an electrode plate stacking apparatus and an electrode plate stacking method using the same. A rotary supporting plate is rotatable about a first direction and allows a positive electrode plate to be bonded to a negative electrode plate having a surface coated with an adhesive to form an electrode plate assembly. A rotary pressing plate is spaced apart from the rotary supporting plate in a second direction perpendicular to the first direction, is rotatable about the first direction, and interferes with the rotary supporting plate to press the electrode plate assembly. A receiver is disposed below the rotary supporting plate in a third direction perpendicular to the first direction and the second direction and receives the electrode plate assembly freely falling in response to rotation of the rotary supporting plate.

ELECTROCHEMICAL DEVICE AND ELECTRONIC DEVICE

NºPublicación:  US2025329751A1 23/10/2025
Solicitante: 
NINGDE AMPEREX TECH LIMITED [CN]
Ningde Amperex Technology Limited
US_2025329751_PA

Resumen de: US2025329751A1

An electrode assembly includes a first electrode plate with a first current collector, a first conductive material layer provided with a first opening, and a second conductive material layer provided with a second opening. The first current collector includes a first surface and a second surface. The first surface includes a first region. The second surface includes a second region. When viewed from the first direction, the first region overlaps with the second region, and the first conductive plate is connected to the first region or the second region. The first opening includes first to third opening edges. The second opening includes fourth to sixth opening edges. The first, second, and third distances are the distances between the first-fourth, second-fifth, and third-sixth opening edges, respectively, the electrochemical device satisfies at least one of the following conditions: 0.2 mm≤first distance; 0.2 mm≤second distance; or 0.2 mm≤third distance.

ELECTRIFIED VEHICLE AND DISPLAYING DEVICE

NºPublicación:  US2025329198A1 23/10/2025
Solicitante: 
TOYOTA JIDOSHA KK [JP]
TOYOTA JIDOSHA KABUSHIKI KAISHA
US_2025329198_PA

Resumen de: US2025329198A1

Electrified vehicle includes a processor, a display device, a battery, and a cooling/temperature raising device that adjusts a temperature of the battery according to a user's manipulation using power stored in the battery. The processor calculates a comparison index value relating to the storage amount of the battery between the case where the cooling/temperature raising device is operated and the case where the cooling/temperature raising device is not operated, and displays the calculated comparison index value on the display device. It is possible to notify the user of electrified vehicle of the power storage capacity of the battery when the cooling/temperature raising device that adjusts the temperature of the battery in response to the user's manipulation is operated by using the electric power stored in the battery that stores the electric power for traveling of electrified vehicle and when the cooling/temperature raising device is not operated.

METHOD AND SYSTEM FOR PERFORMING ELECTRODE TAB FOLDING INSPECTION

NºPublicación:  US2025329006A1 23/10/2025
Solicitante: 
SAMSUNG SDI CO LTD [KR]
Samsung SDI Co., Ltd
US_2025329006_PA

Resumen de: US2025329006A1

A method of inspecting electrode tab folding performed by at least one processor includes obtaining an image that has captured an electrode plate on which an electrode tab is formed, wherein the image comprises an electrode plate region and an electrode tab region, dividing the electrode tab region in the image into a plurality of regions, and performing an electrode tab folding inspection based on a width of the electrode tab region in each of the plurality of regions.

METHODS FOR BATTERY MANAGEMENT SYSTEM (BMS) ADDRESS ALLOCATION IN UNINTERRUPTIBLE POWER SUPPLY (UPS) SYSTEMS AND UPS SYSTEMS BASED ON THE METHODS

NºPublicación:  US2025328480A1 23/10/2025
Solicitante: 
LIAN ZHENG ELECTRONICS SHENZHEN CO LTD [CN]
Lian Zheng Electronics (Shenzhen) Co., Ltd
US_2025328480_PA

Resumen de: US2025328480A1

Methods for BMS address allocation in a UPS system are provided. The method includes: S1: broadcasting an address allocation start instruction; S2: setting its output port to a second preset level and its address allocation flag as “uncompleted”, and setting, by the built-in BMS, its address allocation flag to “uncompleted”; S3: broadcasting, by the UPS, an address allocation instruction; S4: performing, by a BMS whose input port is at the first preset level and whose address allocation flag is uncompleted, address setting, and after the address setting is completed, setting its address allocation flag as “completed” and replying address information to the UPS; S5: receiving, by the UPS, the replied address information, and sending a port configuration instruction to the BMS, so that the BMS sets its output port to the first preset level; and S6: repeating steps S3 to S5 until all BMSs have completed address allocation.

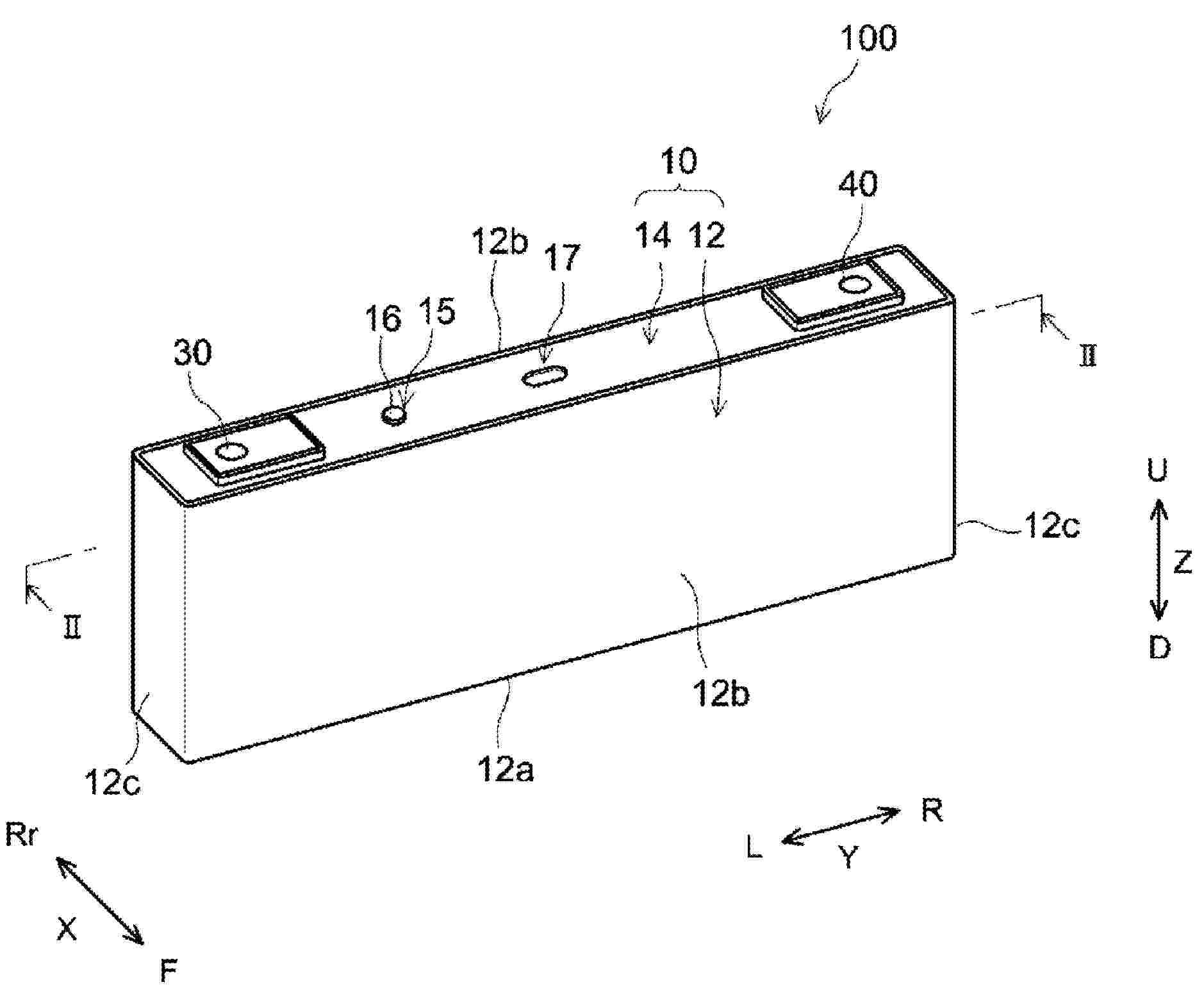
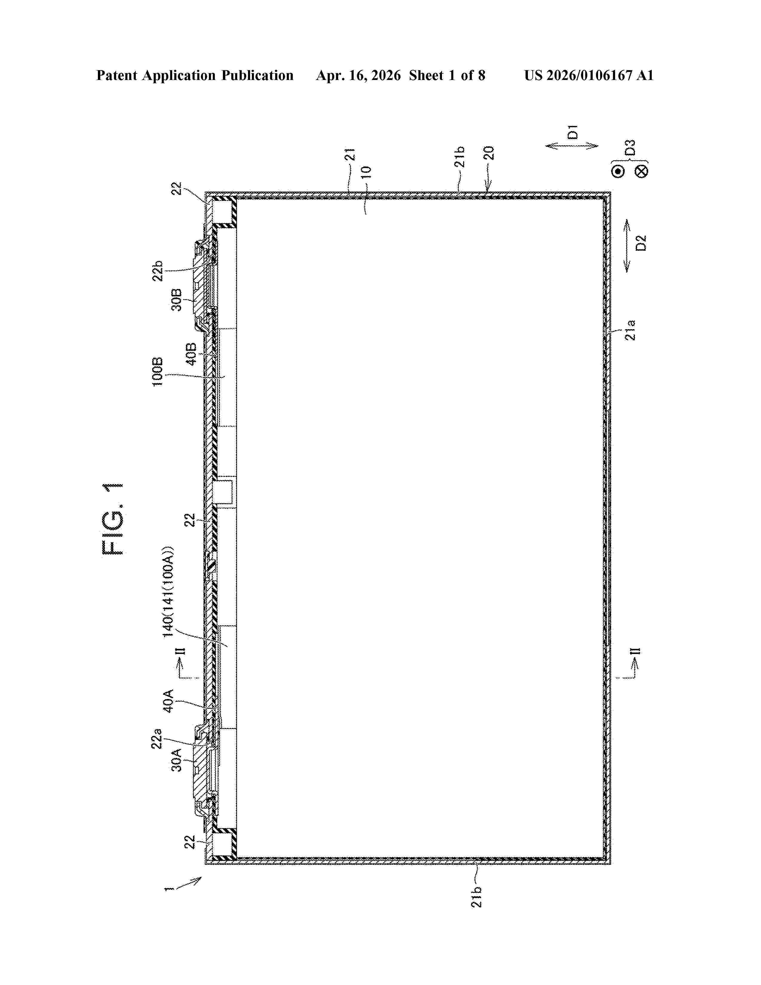
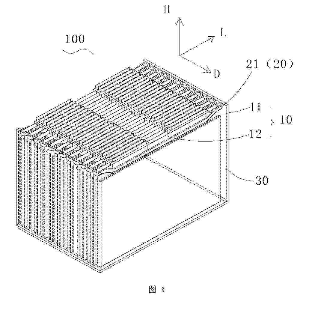
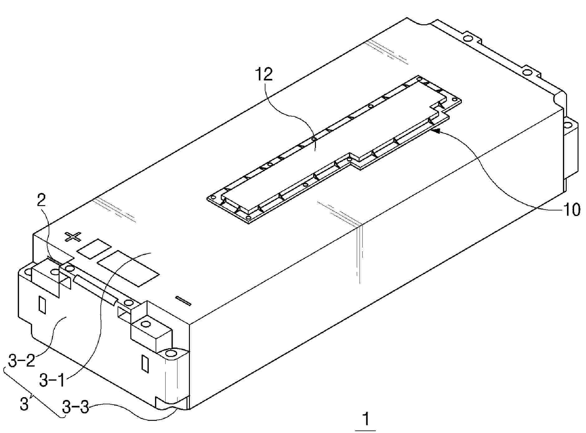
ENERGY STORAGE DEVICE

NºPublicación:  US2025329890A1 23/10/2025
Solicitante: 
GS YUASA INT LTD [JP]
GS Yuasa International Ltd
US_2025329890_PA

Resumen de: US2025329890A1

An energy storage device includes: an electrode assembly that is formed by stacking a plurality of plates and is elongated in a predetermined direction intersecting with a stacking direction; a container that accommodates the electrode assembly; and a terminal that is electrically connected to the electrode assembly. The electrode assembly includes: an electrode assembly body; and a connecting portion that protrudes from an end portion of the electrode assembly body in a predetermined direction. The terminal includes a terminal body portion that protrudes from a terminal mounting surface of the container in a direction intersecting with the stacking direction. A distal end portion of the electrode assembly body in a protruding direction of the terminal body portion protrudes with respect to the terminal mounting surface.

POSITIVE ELECTRODE ACTIVE MATERIAL FOR RECHARGEABLE LITHIUM BATTERY, POSITIVE ELECTRODE CONTAINING THE SAME, AND RECHARGEABLE LITHIUM BATTERY INCLUDING THE SAME

NºPublicación:  US2025329729A1 23/10/2025
Solicitante: 
SAMSUNG SDI CO LTD [KR]
SAMSUNG SDI CO., LTD
US_2025329729_PA

Resumen de: US2025329729A1

A positive electrode active material, a method of preparing the positive electrode active material, a positive electrode including the positive electrode active material, and a rechargeable lithium battery including the positive electrode are disclosed. The positive electrode active material may include a first particle containing a compound represented by Formula 1 and having a first average particle diameter, wherein, in Formula 1, 1

POSITIVE ELECTRODE PLATE AND TREATMENT METHOD THEREOF, BATTERY, AND ELECTRIC DEVICE

NºPublicación:  US2025329709A1 23/10/2025
Solicitante: 
CONTEMPORARY AMPEREX TECH CO LIMITED [CN]
CONTEMPORARY AMPEREX TECHNOLOGY CO., LIMITED
US_2025329709_A1

Resumen de: US2025329709A1

A positive electrode plate and a treatment method thereof, a battery, and an electric device are provided. The treatment method of the positive electrode plate includes: performing combustion treatment on a designated portion of the positive electrode plate, where the designated portion includes at least part of a surface of a positive electrode active material layer of the positive electrode plate. In the treatment method of the positive electrode plate, performing combustion treatment on the surface of the positive electrode plate enables flame to ablate and reduce a floating binder, helping to alleviate blockage of pores by the floating binder, thereby effectively improving electrolyte infiltration of the positive electrode plate.

METHOD FOR MANUFACTURING ALL-SOLID-STATE RECHARGEABLE BATTERY

NºPublicación:  US2025329827A1 23/10/2025
Solicitante: 
SAMSUNG SDI CO LTD [KR]
SAMSUNG SDI CO., LTD
US_2025329827_PA

Resumen de: US2025329827A1

A method for manufacturing an all-solid-state rechargeable battery includes placing a first angular case with a concave first outer surface to face a second angular case, placing a rechargeable all-solid-state battery cell including a positive electrode, a solid electrolyte layer, a negative electrode, and at least one elastic member between the first angular case and the second angular case, and planarly deforming the first outer surface of the first angular case by engaging the first angular case and the second angular case.

Lithium Secondary Battery

NºPublicación:  US2025329725A1 23/10/2025
Solicitante: 
LG ENERGY SOLUTION LTD [KR]
LG Energy Solution, Ltd
US_2025329725_PA

Resumen de: US2025329725A1

A lithium secondary battery including: an electrode assembly in which a positive electrode plate, a negative electrode plate, and a separator interposed between the positive electrode plate and the negative electrode plate are wound in one direction; a battery can accommodating the electrode assembly; an electrolyte injected into the battery can; and a sealing body sealing an open end of the battery can, wherein each of the positive electrode plate and the negative electrode plate includes a non-coated portion in which an active material layer is not formed, and at least a part of the non-coated portion of the positive electrode plate or the negative electrode plate defines an electrode tab, and wherein a volume occupied by the electrolyte is 101% by volume or more and 119% or less based on the total pore volume of the positive electrode plate, the negative electrode plate, and the separator.

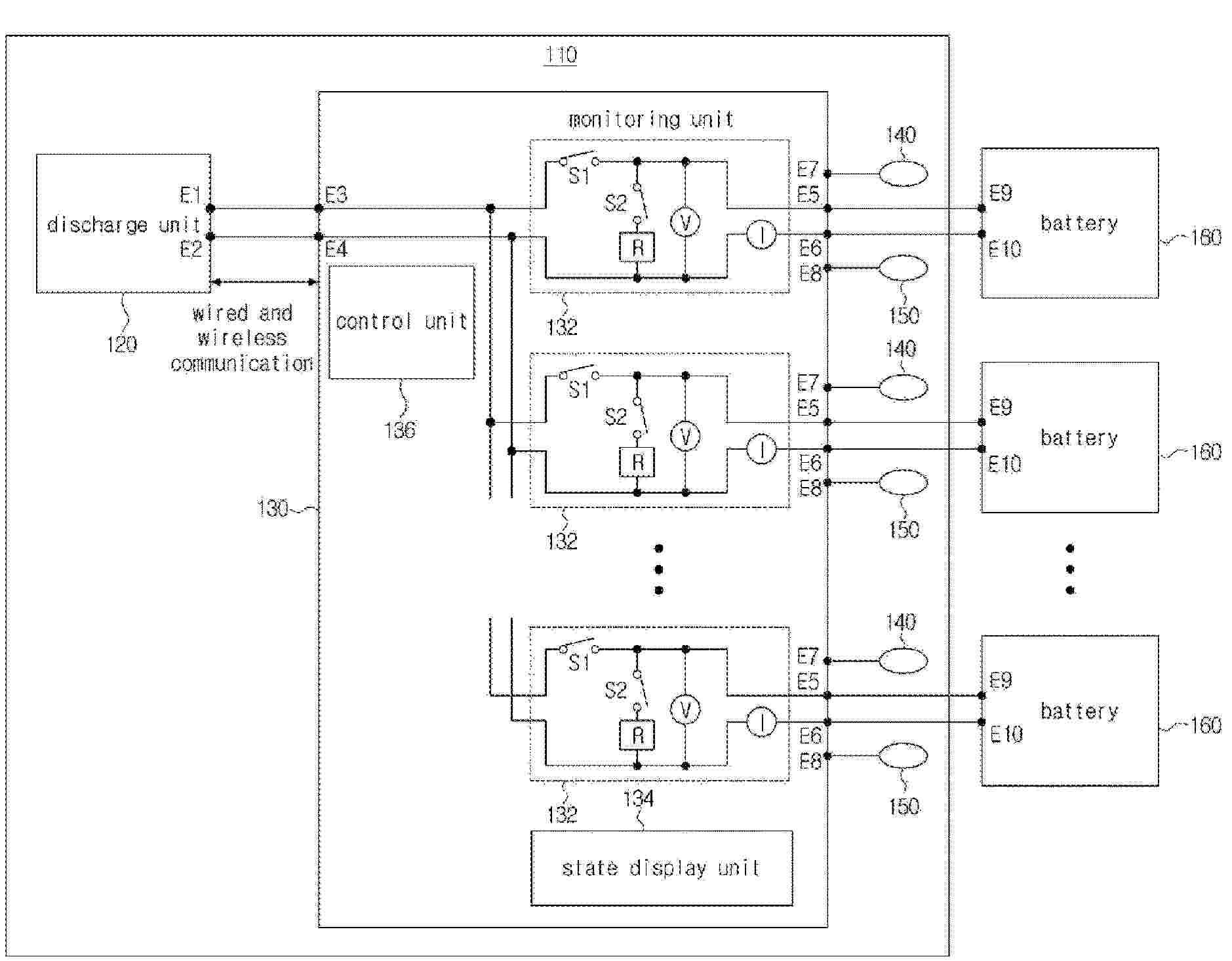
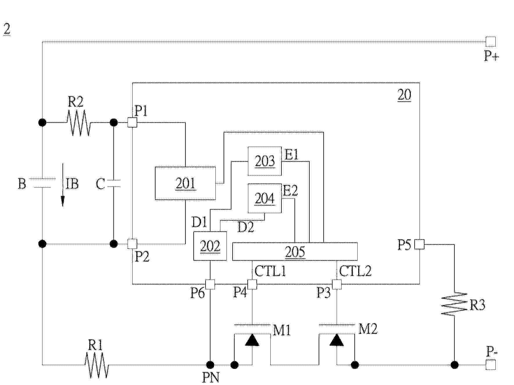
BATTERY MANAGEMENT SYSTEM AND MONITORING DEVICES

NºPublicación:  US2025327869A1 23/10/2025
Solicitante: 
DUKOSI LTD [GB]
DUKOSI LIMITED
US_2025327869_PA

Resumen de: US2025327869A1

A monitoring device is provided. The monitoring device comprises one or more circuitry operable to obtain measurements of one or more pins of a battery system, the one or more circuitry comprising at least one circuit for monitoring current, which comprise: at least one other circuit for amplifying variance comprising at least one differential amplifier, one voltage reference in electrical connection with a first input of the differential amplifier; at least one transconductance means comprising at least one output in electrical connection with a second input of the differential amplifier and at least one input in electrical connection with an output of the differential amplifier; at least one current source in electrical connection with at least one output of the at least one transconductance means; and an output in electrical connection with at least one output of the at least one transconductance means.

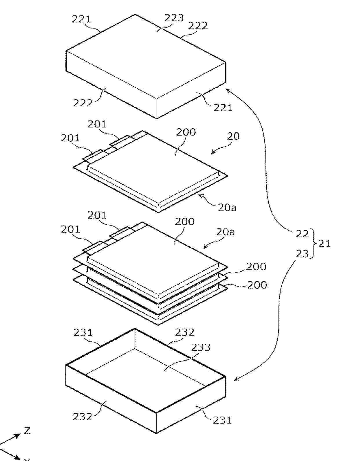
DOPED HALIDE SOLID-STATE ELECTROLYTE AND PREPARATION METHOD THEREFOR, ALL-SOLID-STATE BATTERY, AND ELECTRIC DEVICE

NºPublicación:  WO2025218137A1 23/10/2025
Solicitante: 
CONTEMPORARY AMPEREX TECH CO LIMITED [CN]
CONTEMPORARY AMPEREX TECH HONG KONG LIMITED [CN]
\u5B81\u5FB7\u65F6\u4EE3\u65B0\u80FD\u6E90\u79D1\u6280\u80A1\u4EFD\u6709\u9650\u516C\u53F8,
\u9999\u6E2F\u65F6\u4EE3\u65B0\u80FD\u6E90\u79D1\u6280\u6709\u9650\u516C\u53F8
WO_2025218137_A1

Resumen de: WO2025218137A1

A doped halide solid-state electrolyte and a preparation method therefor, an all-solid-state battery, and an electric device. The general formula of the doped halide solid-state electrolyte is Li6-ma-czAa+ mxBb+ myCc+ zX6, wherein a is the valence of the ion A, b is the valence of the ion B, c is the valence of the ion C, the value of a is 3 or 4, the value of b is 4, 5 or 6, the value of c is 2, 3, 4, 5 or 6, ax+by=a, b>a, x>y>0, 0≤z<0.5, 0

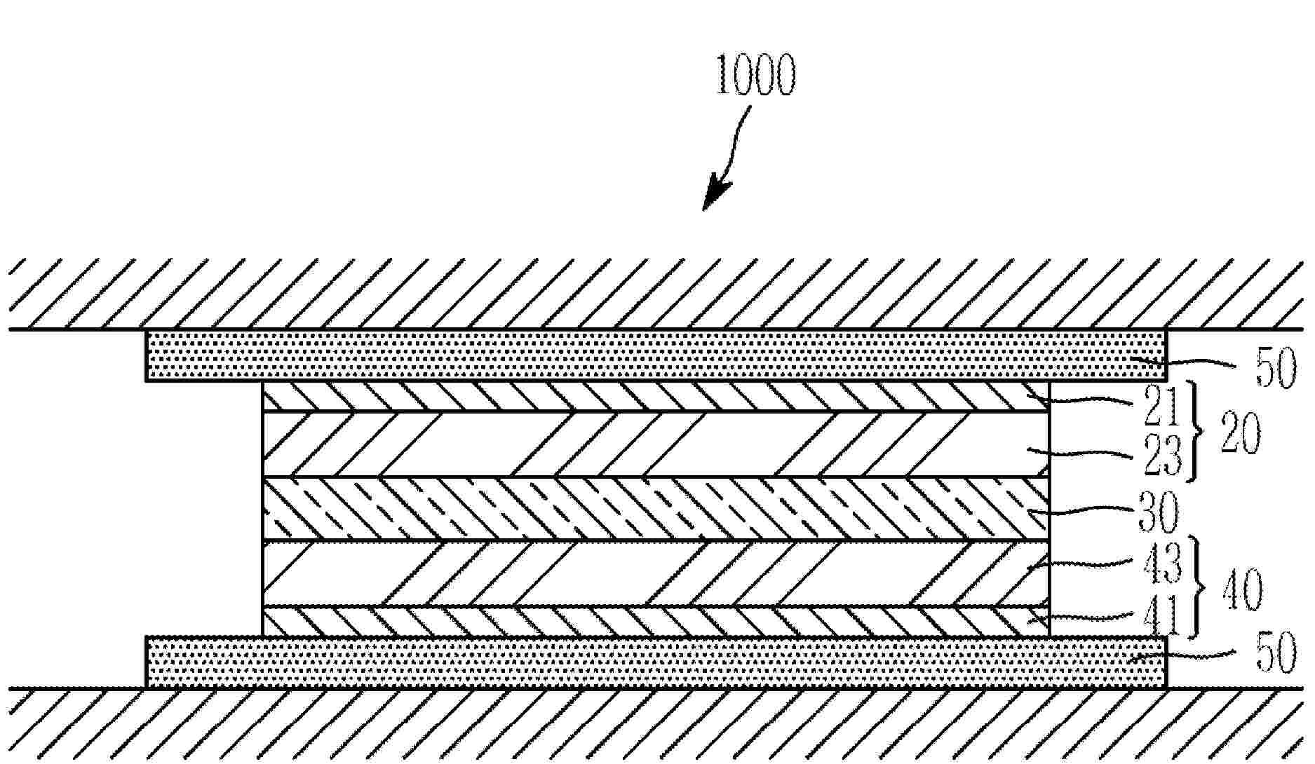
BATTERY CELL, BATTERY, AND ELECTRIC DEVICE

NºPublicación:  WO2025218140A1 23/10/2025
Solicitante: 
CONTEMPORARY AMPEREX TECH CO LIMITED [CN]
\u5B81\u5FB7\u65F6\u4EE3\u65B0\u80FD\u6E90\u79D1\u6280\u80A1\u4EFD\u6709\u9650\u516C\u53F8
WO_2025218140_PA

Resumen de: WO2025218140A1

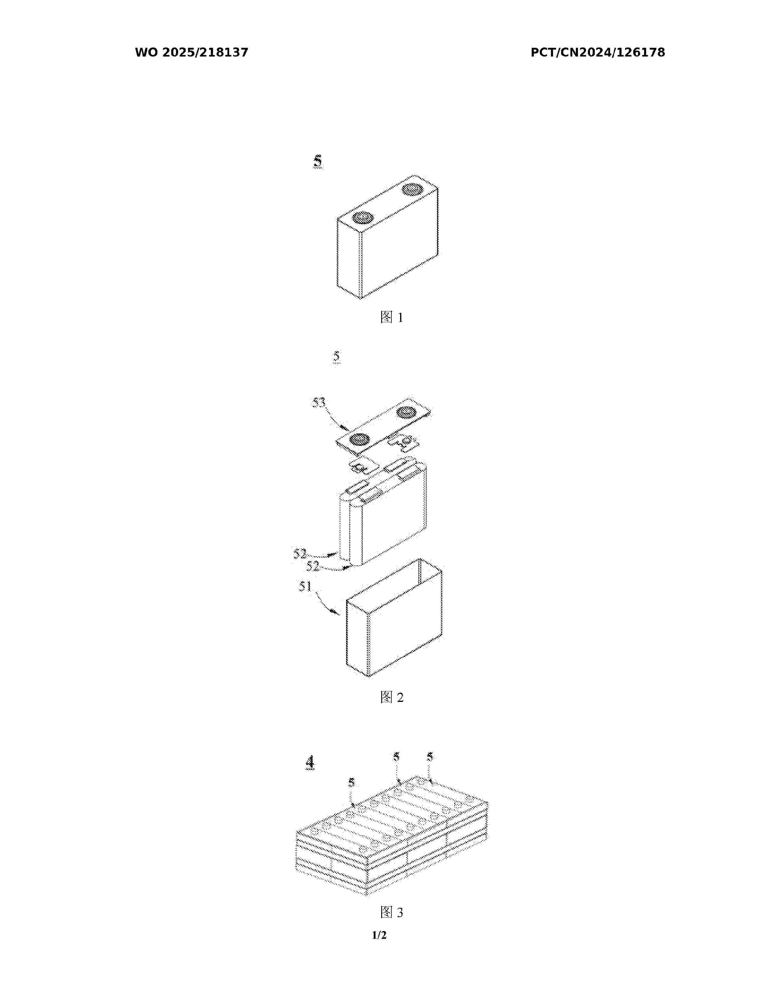
The present application provides a battery cell, a battery, and an electric device. The battery cell comprises a casing and electrode terminals. The casing has two first walls opposite to each other in a first direction and two second walls opposite to each other in a second direction, each first wall is connected to the two second walls, at least one first wall comprises a protruding part, and the protruding part protrudes towards the outside of the casing. The electrode terminals are arranged at the end portion of the casing in a third direction, and the first direction, the second direction, and the third direction are perpendicular to each other in pairs. The battery cell provided by the present application improves the heat dissipation area and the heat dissipation efficiency of the battery cell, and reduces the risk of thermal runaway of the battery cell, thereby improving the reliability of the battery cell.

FULLY-AUTOMATIC CLOSED CELL PREPARATION ALL-IN-ONE MACHINE

NºPublicación:  WO2025218118A1 23/10/2025
Solicitante: 
SUZHOU XINXIE BIOTECHNOLOGY CO LTD [CN]
\u82CF\u5DDE\u6B23\u534F\u751F\u7269\u79D1\u6280\u6709\u9650\u516C\u53F8
WO_2025218118_PA

Resumen de: WO2025218118A1

Provided is a fully-automatic closed cell preparation all-in-one machine, comprising a rack. An inclined surface is arranged on the upper portion of the rack, and a tube hanging frame is mounted on the inclined surface; a hanging assembly is arranged at the position of the rack close to the upper portion of the tube hanging frame, and a transversely extending platform is arranged at the position of the rack close to the lower side of the inclined surface. In addition, a centrifugal assembly is arranged on one side of the platform, the platform is further provided with a storage table, and a magnetic separation assembly is arranged on the inclined surface and at a position approximately at the upper portion of the rack; the magnetic separation assembly comprises a housing, and a tube clamping assembly and a magnetic separation unit are arranged in the housing; and the tube clamping assembly comprises an upper chuck assembly and a lower chuck assembly. When the magnetic separation amount is relatively large, a magnetic separation tubing is rapidly replaced, the magnetic separation tubing can be driven to rotate in cooperation with a rotating assembly during magnetic separation, so that the magnetic separation effect can be improved.

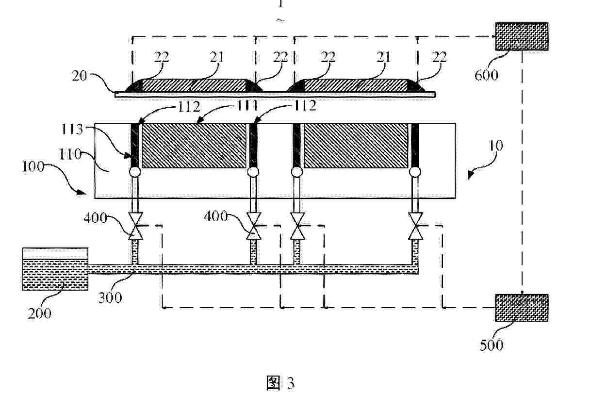
COATING APPARATUS AND COATING SYSTEM

Nº publicación: WO2025218222A1 23/10/2025

Solicitante:

CONTEMPORARY AMPEREX TECH CO LIMITED [CN]
\u5B81\u5FB7\u65F6\u4EE3\u65B0\u80FD\u6E90\u79D1\u6280\u80A1\u4EFD\u6709\u9650\u516C\u53F8

WO_2025218222_PA

Resumen de: WO2025218222A1

A coating apparatus (10) and a coating system. The coating apparatus (10) comprises a coating die head (100) and a slurry supply source (200), wherein a first discharge port (111) and a second discharge port (112) adjacent to each other are formed on the coating die head (100); the slurry supply source (200) is connected to the coating die head (100); and slurry provided by the slurry supply source (200) is coated on a main body area (21) of an electrode sheet (20) via the first discharge port (111), and is coated on a thinned area (22) of the electrode sheet (20) via the second discharge port (112). The coating apparatus and system improve the work efficiency of slurry coating, and increase the yield rate of finished electrode sheets.

traducir