Ministerio de Industria, Turismo y Comercio LogoMinisterior
 

Alerta

Resultados 548 resultados
LastUpdate Última actualización 27/12/2025 [06:49:00]
pdfxls
Solicitudes publicadas en los últimos 15 días / Applications published in the last 15 days
previousPage Resultados 300 a 325 de 548 nextPage  

改良された水電解用多層プロトン交換膜

NºPublicación:  JP2025541284A 18/12/2025
Solicitante: 
ダブリュ.エル.ゴアアンドアソシエイツ,インコーポレイティド
JP_2025541284_PA

Resumen de: CN120604367A

There is provided a multi-layer proton exchange membrane for water electrolysis, comprising: at least two reconstitution catalyst layers, each of which comprises a reconstitution catalyst and a first ion exchange material, and at least two reinforcement layers, each of which comprises a reconstitution catalyst and a second ion exchange material, wherein the at least two reconstitution catalyst layers are separated by regions free of or substantially free of reconstitution catalyst, each of the at least two reinforcement layers comprising a microporous polymer structure and a second ion exchange material at least partially absorbed within the microporous polymer structure.

フッ素含有量を低減したマイクロポーラス層を有する燃料電池用のガス拡散層

NºPublicación:  JP2025541097A 18/12/2025
Solicitante: 
カール・フロイデンベルク・カーゲー
JP_2025541097_A

Resumen de: CN120303797A

The present invention relates to a gas diffusion layer for a fuel cell, comprising a microporous layer with a polymeric binder which is free of fluorine or has a lower proportion of fluorine-containing polymer compared to conventional binders, a gas diffusion layer obtainable using the method, and a method for producing a gas diffusion layer for a fuel cell, the gas diffusion layer comprising a microporous layer comprising a microporous layer having a polymeric binder which is free of fluorine or has a lower proportion of fluorine-containing polymer compared to conventional binders. And a fuel cell comprising such a gas diffusion layer.

FUEL CELL STACK

NºPublicación:  US2025385288A1 18/12/2025
Solicitante: 
HONDA MOTOR CO LTD [JP]
HONDA MOTOR CO., LTD
CN_121149328_PA

Resumen de: US2025385288A1

A fuel cell stack includes an electrolyte membrane-electrode structure in which a solid polymer electrolyte membrane is sandwiched between an anode electrode and a cathode electrode, and is configured to generate power by an electrochemical reaction between an oxidant gas and a fuel gas. The fuel cell stack includes: a cell to which the oxidant gas and/or the fuel gas is supplied; an oxidant gas supply passage for supplying the oxidant gas to the cell; an oxidant off-gas flow passage through which the oxidant gas discharged from the cell flows; and a communication passage connecting the oxidant gas supply passage and the oxidant off-gas flow passage. A pressure at a first opening through which the communication passage is connected to the oxidant gas supply passage is lower than a pressure at a second opening through which the communication passage is connected to the oxidant off-gas flow passage).

MULTI-UNIT FUEL CELL SYSTEM WITH MICROGRID

NºPublicación:  WO2025259485A1 18/12/2025
Solicitante: 
HYAXIOM INC [US]
HYAXIOM, INC
WO_2025259485_A1

Resumen de: WO2025259485A1

A method and system includes a plurality of fuel cell power plants operable to supply power to a utility grid, a connection interface operable to connect the plurality of fuel cell power plants to the utility grid, and an energy storage system operable to store power generated by the plurality of fuel cell power plants. At least one microgrid is connectable to the utility grid with the connection interface. During normal system operation, an energy storage system is operable to connect the at least one microgrid to the utility grid via the connection interface. In response to an occurrence of a predetermined grid event, the energy storage system is operable to disconnect the at least one microgrid from the utility grid and is operable to supply a microgrid load associated with the at least one microgrid. In response to an occurrence of a predetermined grid event, an energy management system is operable to maintain a desired state-of-charge for one or more batteries of the energy storage system by communicating specific power setpoints to the plurality of fuel cell power plants.

HYDROGEN OXYGEN DEVICE AND METHOD OF USE

NºPublicación:  WO2025259118A1 18/12/2025
Solicitante: 
RUMENAUT LTD [NZ]
RUMENAUT LIMITED
WO_2025259118_A1

Resumen de: WO2025259118A1

The present invention is concerned with device that is configured to be administered to the gut digestate of a ruminant animal, which device is capable of generating electrical energy from a gut digestate and/or measuring the concentration of hydrogen (H2) and/or oxygen (O2) that is present in the gut digestate. Further, the device according to the present invention may be modified to include an electrical load adjustment means (e.g. resistor, variable resistor etc) which may be used to adjust the electrical load of the device sufficient to cause the prescribed removal of H2, and in particular dissolved hydrogen (dH2), from the gut digestate. As such the device according to the present invention may be employed to adjust the amount of dH2 available to methanogenic archaea while at least not compromising animal productivity, thereby reducing the amount of methane released in the atmosphere which has an important environmental impact in terms of reducing greenhouse gas emissions.

ELECTRODE CATALYST LAYER, MEMBRANE ELECTRODE ASSEMBLY, AND FUEL CELL

NºPublicación:  WO2025258657A1 18/12/2025
Solicitante: 
TOPPAN HOLDINGS INC [JP]
\uFF34\uFF2F\uFF30\uFF30\uFF21\uFF2E\u30DB\u30FC\u30EB\u30C7\u30A3\u30F3\u30B0\u30B9\u682A\u5F0F\u4F1A\u793E
WO_2025258657_A1

Resumen de: WO2025258657A1

This electrode catalyst layer contains carbon fibers, modified silica particles, carbon particles supporting the metal particles, and an ionomer. The carbon particles have a mode value of the particle size distribution obtained by image analysis of 0.5 μm or more, the silica particles have a hydrophobic group on the surface, and the specific surface area of the silica particles according to the BET method is 100 m2/g or more.

SOLID OXIDE FUEL CELL AND METHOD FOR MANUFACTURING FUEL ELECTRODE FOR FUEL CELL

NºPublicación:  WO2025258910A1 18/12/2025
Solicitante: 
MICO POWER LTD [KR]
\uC8FC\uC2DD\uD68C\uC0AC \uBBF8\uCF54\uD30C\uC6CC
WO_2025258910_A1

Resumen de: WO2025258910A1

A solid oxide fuel cell is disclosed. The solid oxide fuel cell comprises: a solid electrolyte; and a fuel electrode and an air electrode disposed on one surface and the other surface of the solid electrolyte, respectively, wherein the fuel electrode comprises: a fuel electrode functional layer disposed below the solid electrolyte; a fuel electrode support layer disposed below the fuel electrode functional layer and having a first porosity; and a fuel electrode diffusion active layer disposed below the fuel electrode support layer and having a second porosity greater than the first porosity.

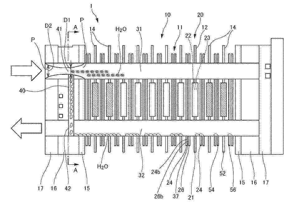
CATALYST, METHOD FOR PRODUCING CATALYST, METHOD FOR PRODUCING METABORATE, HYDROGEN GENERATOR, AND FUEL CELL SYSTEM

NºPublicación:  WO2025258180A1 18/12/2025
Solicitante: 
DENKA COMPANY LTD [JP]
\u30C7\u30F3\u30AB\u682A\u5F0F\u4F1A\u793E
WO_2025258180_A1

Resumen de: WO2025258180A1

Problem To provide: a catalyst which has high hydrogen generation efficiency; a method for producing the catalyst; a method for producing a reusable metaborate; a hydrogen generator which is provided with the catalyst; and a fuel cell system which is provided with the hydrogen generator. Solution According to one embodiment of the present invention, there is provided a catalyst which is used for the purpose of generating hydrogen from a borohydride salt and water, the catalyst containing a metal oxide as a main component and a metal boride which is supported by the metal oxide.

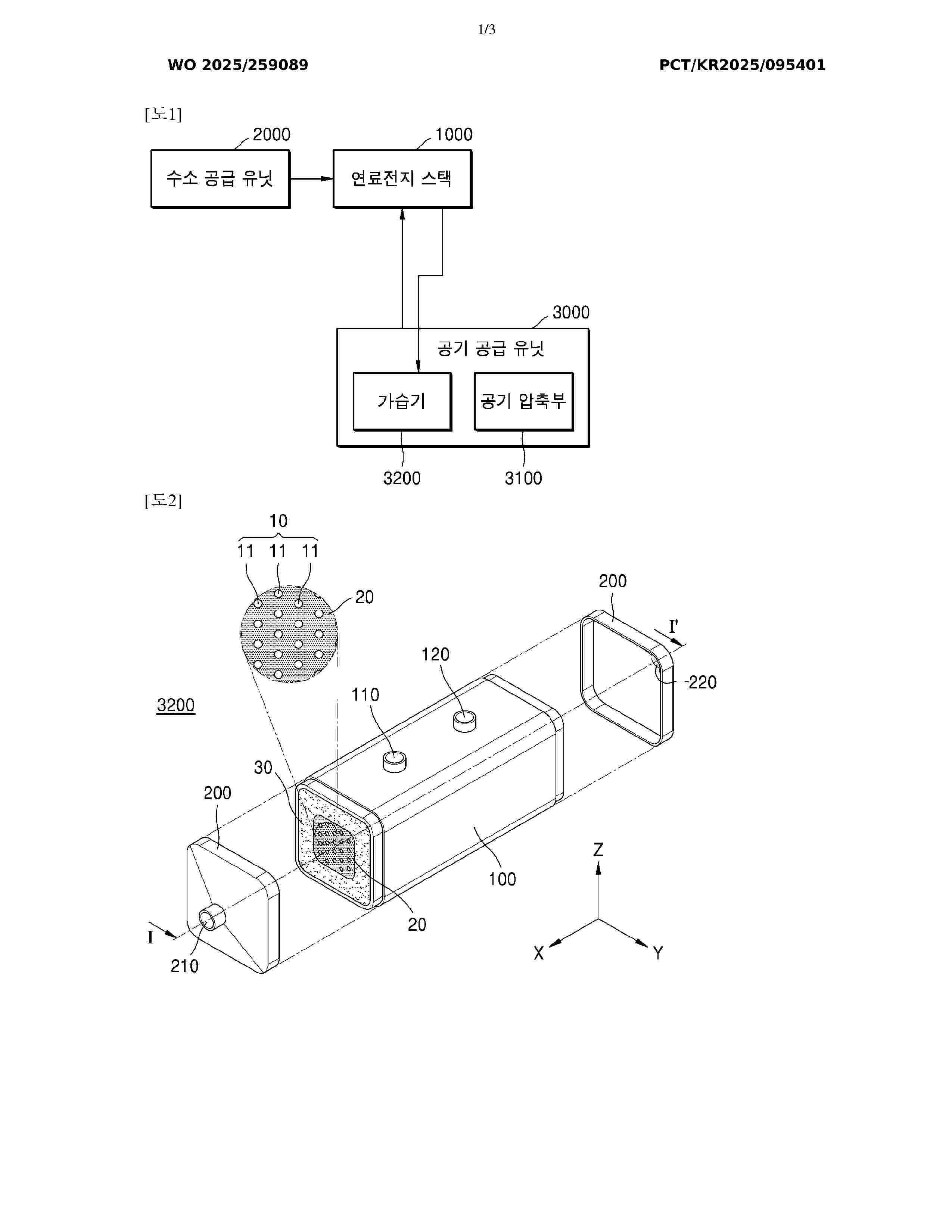
MEMBRANE HUMIDIFIER FOR FUEL CELL

NºPublicación:  WO2025259089A1 18/12/2025
Solicitante: 
KOLON IND INC [KR]
\uCF54\uC624\uB871\uC778\uB354\uC2A4\uD2B8\uB9AC \uC8FC\uC2DD\uD68C\uC0AC
WO_2025259089_A1

Resumen de: WO2025259089A1

Provided is a membrane humidifier for a fuel cell, including a housing comprising: a middle case having opposite open ends; a cap case coupled to the opposite ends of the middle case; and an inner case which is disposed in a space formed by the middle case and the cap case, and accommodates a hollow fiber membrane bundle, wherein the housing contains a polymer material and an antioxidant material that removes peroxide and/or hydroxyl radicals.

STACK, HOT MODULE, AND HYDROGEN PRODUCTION DEVICE

NºPublicación:  WO2025258318A1 18/12/2025
Solicitante: 
NITERRA CO LTD [JP]
\u65E5\u672C\u7279\u6B8A\u9676\u696D\u682A\u5F0F\u4F1A\u793E
WO_2025258318_A1

Resumen de: WO2025258318A1

Provided are: a stack (10, 80) with which it is possible to ensure a flow of gas between a passage and a cell; a hot module (71); and a hydrogen production device (70). This stack comprises: cells (30) including an electrolyte (31) that isolates a fuel electrode (32) and an air electrode (33) from each other in the thickness direction; first separators (27) fixed to the cells; inter-connectors (34) in contact with the air electrodes; second separators (29) fixed to the inter-connectors; electrically insulating frames (28) disposed between the first separators and the second separators; and gas passages (24, 25) extending in the thickness direction of the first separators, the frames, and the second separators. The passages are connected to spaces (37) between the first separators and the second separators. The stack also comprises insulators (50) disposed between the passages and the cells within the spaces. The spaces in which the insulators are disposed each include a gas passage part (52) through which gas passes between the passages and the cells.

SEPARATOR AND SEPARATOR STRUCTURE

NºPublicación:  WO2025258975A1 18/12/2025
Solicitante: 
HANWHA SOLUTIONS CORP [KR]
\uD55C\uD654\uC194\uB8E8\uC158 \uC8FC\uC2DD\uD68C\uC0AC
WO_2025258975_A1

Resumen de: WO2025258975A1

The present invention provides a separator which has a reaction portion formed on at least one surface and is provided with a protrusion portion along an edge of the reaction portion.

ADDITIVE FOR POLYMER ELECTROLYTE MEMBRANE, POLYMER ELECTROLYTE MEMBRANE, MEMBRANE-ELECTRODE ASSEMBLY, AND FUEL CELL

NºPublicación:  WO2025258760A1 18/12/2025
Solicitante: 
KOLON IND INC [KR]
\uCF54\uC624\uB871\uC778\uB354\uC2A4\uD2B8\uB9AC \uC8FC\uC2DD\uD68C\uC0AC
WO_2025258760_A1

Resumen de: WO2025258760A1

Provided are an additive for a polymer electrolyte membrane, a polymer electrolyte membrane, a membrane-electrode assembly, and a fuel cell, wherein the additive for a polymer electrolyte membrane comprises a complex comprising a transition metal or a transition metal compound and a flavonoid compound, wherein the transition metal and the transition metal of the transition metal compound include at least one selected from cerium (Ce), manganese (Mn), cobalt (Co), chromium (Cr), iron (Fe), copper (Cu), and nickel (Ni).

POROUS METAL BODY SHEET, FUEL CELL, AND HYDROGEN PRODUCTION APPARATUS

NºPublicación:  WO2025257961A1 18/12/2025
Solicitante: 
SUMITOMO ELECTRIC IND LTD [JP]
\u4F4F\u53CB\u96FB\u6C17\u5DE5\u696D\u682A\u5F0F\u4F1A\u793E
WO_2025257961_A1

Resumen de: WO2025257961A1

This porous metal body sheet is formed of a porous metal body having a skeleton assuming a three-dimensional network structure. The porous metal body sheet has a first main surface and a second main surface on the opposite side to the first main surface. The first main surface includes a first inclined peripheral edge region, a second inclined peripheral edge region opposite to the first inclined peripheral edge region, and a central region between the first inclined peripheral edge region and the second inclined peripheral edge region. The first inclined peripheral edge region and the second inclined peripheral edge region are set apart from each other in a first direction. The first inclined peripheral edge region and the second inclined peripheral edge region each extend along a second direction intersecting the first direction, and are inclined so as to approach the second main surface as the distance from the central region increases in the first direction.

POROUS METAL SHEET, FUEL CELL, AND HYDROGEN PRODUCTION APPARATUS

NºPublicación:  WO2025257962A1 18/12/2025
Solicitante: 
SUMITOMO ELECTRIC IND LTD [JP]
\u4F4F\u53CB\u96FB\u6C17\u5DE5\u696D\u682A\u5F0F\u4F1A\u793E
WO_2025257962_A1

Resumen de: WO2025257962A1

This porous metal sheet is formed of a porous metal having a skeleton with a three-dimensional network structure. The porous metal sheet has a main surface in which a plurality of grooves are formed. An upper chamfer is formed on the upper corner of each of the plurality of grooves. A lower chamfer is formed on the lower corner of each of the plurality of grooves.

BIPOLAR FRAME PLATE ASSEMBLY AND VANADIUM REDOX FLOW BATTERY STACK

NºPublicación:  WO2025256198A1 18/12/2025
Solicitante: 
GUIZHOU ZHIXI TECH CO LTD [CN]
\u8D35\u5DDE\u5FD7\u559C\u79D1\u6280\u6709\u9650\u516C\u53F8
WO_2025256198_A1

Resumen de: WO2025256198A1

The present application provides a bipolar frame plate assembly and a vanadium redox flow battery stack. The bipolar frame plate assembly comprises a bipolar frame, a bipolar plate, and a pressing member; the bipolar frame is provided with a first recessed area; a through-slot is formed in the first recessed area; the through-slot passes through the bipolar frame; the bipolar plate is arranged in the first recessed area; the bipolar plate covers the through-slot and seals the through-slot; and the pressing member is connected to the bipolar frame and the bipolar plate, separately, so as to fix the bipolar plate in the first recessed area. By arranging the first recessed area on the bipolar frame, a stable mounting position is provided for the bipolar plate, so that the bipolar plate can be firmly fixed on the bipolar frame. By forming in the first recessed area the through-slot passing through the bipolar frame, and fixing the bipolar plate in the first recessed area by means of the pressing member, the bipolar frame plate assembly can be formed into a whole, solving the problem of electrolyte leakage, ensuring a good battery capacity, preventing the leaked electrolyte from corroding a battery system, and avoiding environmental pollution caused by electrolyte leakage.

TERNARY PLATINUM-BASED ALLOY CATALYST, AND PREPARATION METHOD THEREFOR AND USE THEREOF

NºPublicación:  WO2025255961A1 18/12/2025
Solicitante: 
GEM CO LTD [CN]
\u683C\u6797\u7F8E\u80A1\u4EFD\u6709\u9650\u516C\u53F8
WO_2025255961_A1

Resumen de: WO2025255961A1

A ternary platinum-based alloy catalyst, and a preparation method therefor and the use thereof. The ternary platinum-based alloy catalyst comprises a carrier and active particles loaded in the carrier, wherein the ternary platinum-based alloy catalyst is doped with non-metal atoms, which comprise N atoms and/or P atoms; and the active particles comprise a ternary platinum-based alloy material, the constituent elements of which comprise Pt, M1 and M2, M1 and M2 being different non-noble metal elements. By means of the synergistic cooperation between the non-metal atoms and the elements of platinum, M1 and M2 in the ternary platinum-based alloy catalyst, the dissolution of the metal is effectively inhibited, the anchoring effect on nanoparticles is enhanced, the migration and agglomeration effects of the nanoparticles are weakened, the adjustment of the particle size of the platinum-based catalyst is facilitated, and the activity and stability of the catalyst in a cathode of a fuel cell are greatly improved.

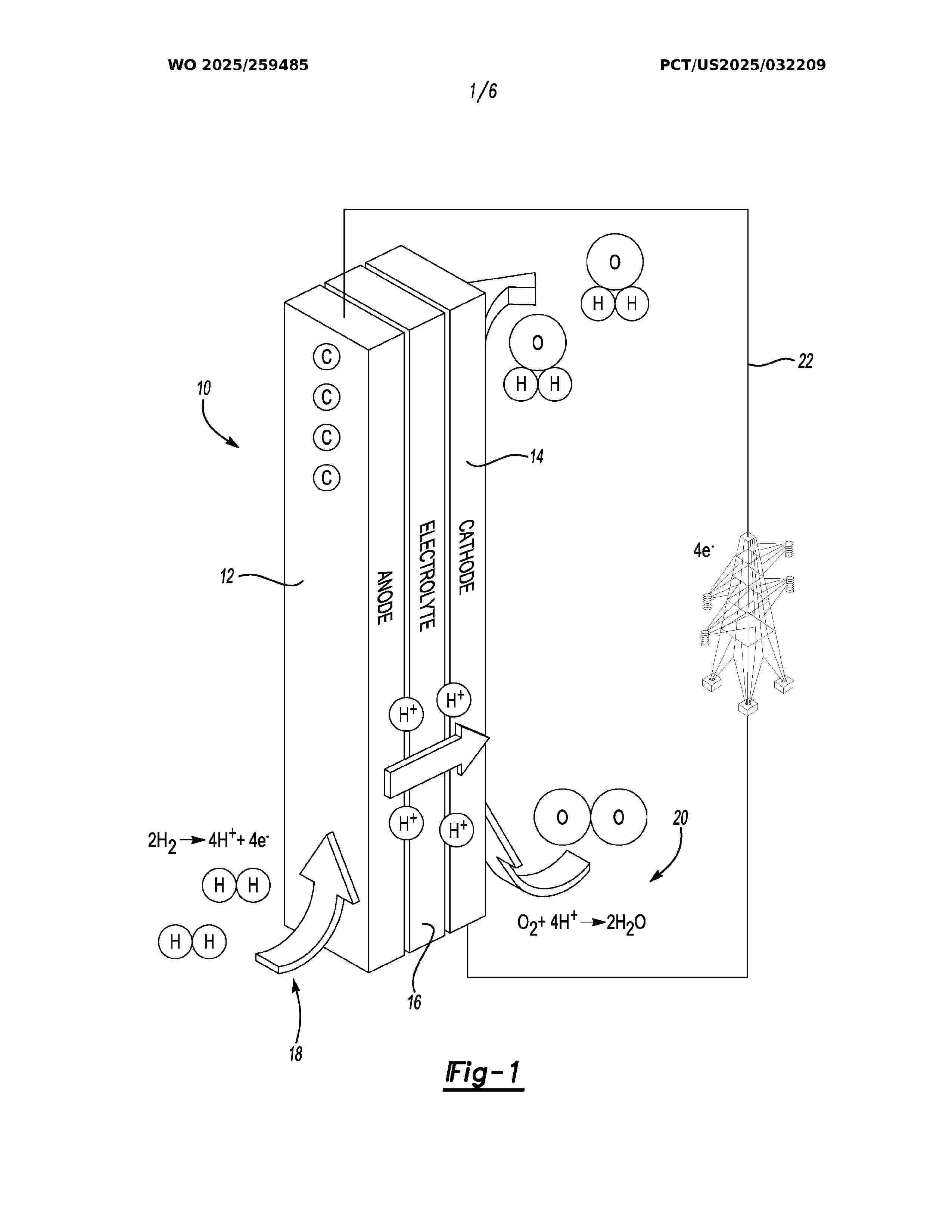
ADVANCED DRY HYDROGEN MEMBRANE FUEL CELL

NºPublicación:  WO2025255616A1 18/12/2025
Solicitante: 
GOMEZ RODOLFO ANTONIO M [AU]
GOMEZ, Rodolfo Antonio M
WO_2025255616_A1

Resumen de: WO2025255616A1

A fuel cell is disclosed. The fuel cell comprises at least one anode cell housing an anode electrode wherein the anode electrode is doped with an alkali dopant and at least one cathode cell housing a cathode electrode wherein the cathode electrode is doped with an acid dopant. The fuel cell is a dry fuel cell.

PREPARATION OF ION EXCHANGE POLYMERS BASED ON POLYOLEFINS AND POLYCYCLOOLEFINS USING ACID CATALYST

NºPublicación:  US2025382429A1 18/12/2025
Solicitante: 
RENSSELAER POLYTECHNIC INST [US]
Rensselaer Polytechnic Institute
US_2025382429_PA

Resumen de: US2025382429A1

Ion exchange membranes for use in electrochemical energy conversion and storage applications include copolymers having a backbone produced from an olefin, such as ethylene, and a cyclic olefin, such as norbornene. Haloalkyl side chains with terminal halide groups are connected to the polymer backbone via Friedel-Crafts alkylation. The halide groups are then replaced with ionic groups via substitution. The ion exchange membrane material can then be cast or impregnated into a reinforcing mesh to form cation exchange membrane or anion exchange membranes. Rigidity of the ion exchange membranes can be controlled by varying the ratio of olefin to cyclic olefin in the polymer backbone.

PROCESS FOR PREPARING A GRAPHITIZED NANOPOROUS CARBON, THE SO-OBTAINED CARBON PARTICLES AND THE USE THEREOF AS HIGHLY STABLE SUPPORTS FOR ELECTROCHEMICAL PROCESSES

NºPublicación:  US2025382179A1 18/12/2025
Solicitante: 
STUDIENGESELLSCHAFT KOHLE GGMBH [DE]
Studiengesellschaft Kohle gGmbH
US_2025382179_PA

Resumen de: US2025382179A1

The present invention refers to a process for preparing a graphitized nanoporous carbon, the so-obtained carbon particles_and the use thereof as highly stable support for electrochemical processes.

IMPROVED METHODS FOR PREPARING N-METHYL ALANINE ESTERS OF MAYTANSINOL

NºPublicación:  US2025382307A1 18/12/2025
Solicitante: 
IMMUNOGEN INC [US]
IMMUNOGEN, INC
US_2025382307_A1

Resumen de: US2025382307A1

Disclosed is a method of preparing an amino acid ester of maytansinol by reacting maytansinol with an N-carboxyanhydride of an amino acid (NCA) in the presence of a proton sponge and a Lewis acid.

DME REFORMING SYSTEM FOR SMART FARM AND POWER PLANT

NºPublicación:  US2025382172A1 18/12/2025
Solicitante: 
BIO FRIENDS INC [KR]
BIO FRIENDS INC
US_2025382172_PA

Resumen de: US2025382172A1

The present invention relates to a dimethyl ether (DME) reforming system for a smart farm and power plant, and the purpose of the present invention is to provide a DME reforming system for a smart farm and power plant, which generates carbon dioxide and hydrogen using DME as a raw material, and supplies a fertilizer and electric energy to a smart farm, and which minimizes the generation of environmental pollutants, in particular, the generation of CO2 in a DME reforming process.

METAL MEMBER HAVING THREE-DIMENSIONAL REGULAR FRAMEWORK STRUCTURE, ELECTRODE HAVING THREE-DIMENSIONAL REGULAR FRAMEWORK, WATER ELECTROLYSIS DEVICE, AND FUEL CELL

NºPublicación:  US2025382204A1 18/12/2025
Solicitante: 
MITSUBISHI MAT CORPORATION [JP]
NATIONAL UNIV CORPORATION YOKOHAMA NATIONAL UNIV [JP]
MITSUBISHI MATERIALS CORPORATION,
NATIONAL UNIVERSITY CORPORATION YOKOHAMA NATIONAL UNIVERSITY
US_2025382204_PA

Resumen de: US2025382204A1

This metal member is a metal member having a three-dimensional regular framework structure with a porosity in a range of 50% or more and 95% or less, wherein the three-dimensional regular framework structure has a framework and a plurality of pores extending in a first direction, in a cross section perpendicular to the first direction, pore rows in which the pores and the frameworks are alternately arranged are periodically laminated to form a lamination structure. In addition, the electrode has a well-shaped sheet layer having a plurality of through-holes in a thickness direction, the porosity of the well-shaped sheet layer is in a range of 20% or more and 70% or less, and the thickness of the well-shaped sheet layer is in a range of 10 μm or more and 500 μm or less.

NAPHTHALENE-TYPE COMPOUND AND PREPARATION METHOD THEREFORE AND USE THEREFORE

NºPublicación:  US2025382258A1 18/12/2025
Solicitante: 
DALIAN INST OF CHEMICAL PHYSICS CHINESE ACADEMY OF SCIENCES [CN]
DALIAN INSTITUTE OF CHEMICAL PHYSICS, CHINESE ACADEMY OF SCIENCES
US_2025382258_PA

Resumen de: US2025382258A1

A naphthalene-type compound, preparation method therefore and use therefore are provided. The naphthalene-type compound has a molecular structure substituted with polyhydroxyl, polybenzylamine, and quaternary ammonium or multiple quaternary ammonium functional groups, and compared with a raw material, the naphthalene-type compound has greatly improved water solubility in an acidic aqueous solution. An electrochemical reaction has low raw material costs and a high reaction yield, is carried out under a normal temperature and pressure condition without adding additional catalysts, and is carried out under air conditions without inert gas protection.

POWER SINK CONTROL SYSTEM FOR A VEHICLE

NºPublicación:  US2025381888A1 18/12/2025
Solicitante: 
GM GLOBAL TECH OPERATIONS LLC [US]
GM Global Technology Operations LLC
US_2025381888_PA

Resumen de: US2025381888A1

A control system for a vehicle includes data processing hardware and memory hardware in communication with the data processing hardware. The memory hardware stores instructions that when executed on the data processing hardware cause the data processing hardware to perform operations. The operations include receiving, at a propulsion controller, power generation, comparing, via the propulsion controller, battery data with a state of charge threshold, and executing, based on the comparison of the battery data, a power sink protocol including at least one mode control via a fuel cell system. The operations also include generating, based on the at least one mode control, at least one of a compressor command and a valve command via an airflow system and regulating, via the at least one generated compressor command and the valve command, an airflow of the airflow system.

VEHICLE BODY STRUCTURE

Nº publicación: US2025381857A1 18/12/2025

Solicitante:

HYUNDAI MOTOR COMPANY [KR]
KIA CORP [KR]
Hyundai Motor Company,
Kia Corporation

US_2025381857_PA

Resumen de: US2025381857A1

An embodiment vehicle body includes a center floor assembly, a side sill disposed along a front-rear direction of the vehicle body on both sides of the center floor assembly in a vehicle width direction and connected to a front body assembly, a fuel cell stack mounting apparatus disposed at a front portion of the center floor assembly and configured to position fuel cell stacks at a lower portion of the center floor assembly, and a hydrogen tank mounting apparatus disposed at a rear of the center floor assembly and configured to position hydrogen tanks at the lower portion of the center floor assembly.

traducir