Si deseas distinguir tus productos, servicios o ambos de los de otra empresa, es posible que necesites una marca o nombre comercial. Descubre qué son, en qué consiste su procedimiento de registro y qué implica.
Información sobre los plazos de presentación de solicitudes de transformación de marcas de la Unión Europea en marca nacional española. Más información
Si tienes un nuevo dispositivo, producto o procedimiento que resuelva un problema técnico o tenga una ventaja práctica, existen distintas formas de protegerlo en España y en otros países. Descubre cómo hacerlo.
¿Tu innovación reside en la estética, la ornamentación o la apariencia de tu producto? Protégela mediante un diseño industrial. Descubre qué derechos confiere el registro y cómo realizar la tramitación.
Las indicaciones geográficas protegen el nombre de un producto originario de una zona geográfica, a la cual le debe una determinada calidad, reputación u otra característica. Descubre qué son, en qué consiste su procedimiento de registro y qué beneficios conceden.
Las patentes publicadas en todo el mundo son una valiosa fuente de información científica, técnica y comercial.
La Oficina de Propiedad Intelectual de la Unión Europea cierra la solicitud de ayuda del Fondo para pymes (SME Fund) hasta la siguiente convocatoria en 2026.
Si eres emprendedor/a o una empresa y quieres potenciar y mejorar la rentabilidad de tu negocio protegiendo de forma adecuada los activos intangibles de tu organización, en este espacio encontrarás lo necesario.
Resumen de: CN120845940A
本申请提供一种太阳能变频热水器及其加热方法,涉及热水器技术领域。太阳能变频热水器的加热方法通过建立在无光照时不同环境温度的所对应的热泵加热速度曲线,获取当前环境温度、当前加热速度和当前热泵频率,将当前加热速度与当前环境温度在热泵加热速度曲线内对应的热泵加热速度的大小并根据比较结果判断是否需要调整当前热泵频率,从而实现了根据当前的太阳光强弱适应性地调整热泵频率,避免了当太阳光过强时热泵频率较高导致的能源浪费问题或当太阳光较弱时热泵频率较低导致的热水量供应不足的问题,提高了能源利用效率,确保了稳定的热水供应。
Nº publicación: CA3274148A1 27/10/2025
Solicitante:
EXPRO NORTH SEA LTD [GB]
Expro North Sea Limited

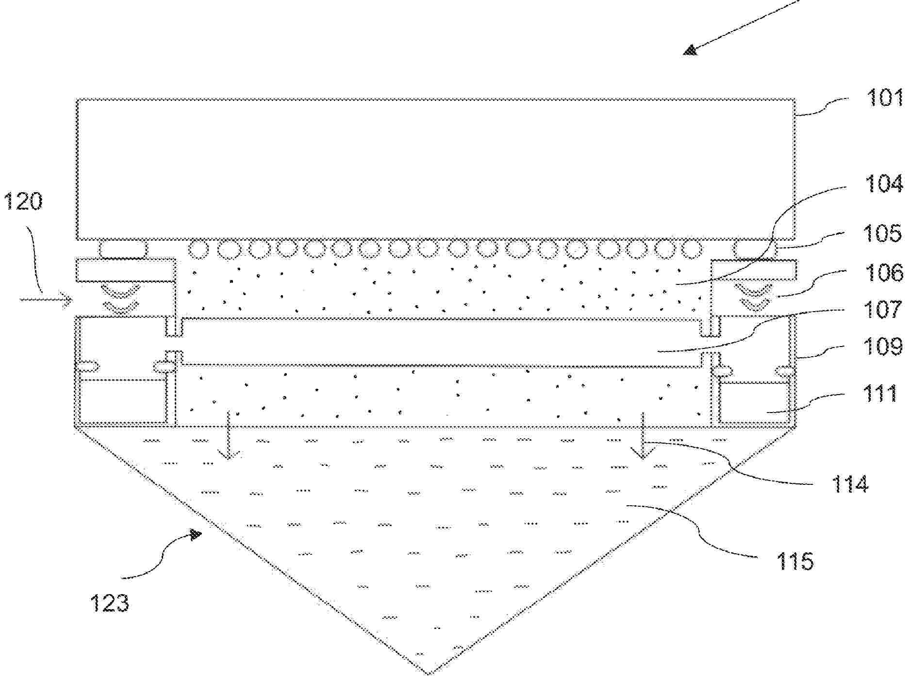
Resumen de: US12297626B1
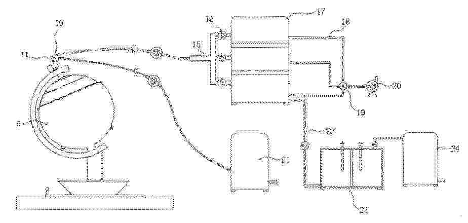
A triple purpose solar panel and water condensation system is provided. The system includes a solar panel for converting solar energy to electrical energy and a unique two-step water condensation system. The water condensation system is designed to have an upper condensation chamber performing the first step of the two-step condensation process and a lower condensation chamber performing the second step of the two-step condensation process. The system includes window with ports for air transfer, and independent, self-contained, hydraulic cylinders filled with hydraulic fluid, for opening and closing of the window ports to allow for atmospheric air flow to enter inside the condensation chamber.
