Ministerio de Industria, Turismo y Comercio LogoMinisterior
 

Alerta

Resultados 498 resultados
LastUpdate Última actualización 25/04/2026 [06:57:00]
pdfxls
Solicitudes publicadas en los últimos 15 días / Applications published in the last 15 days
previousPage Resultados 150 a 175 de 498 nextPage  

计划方法、计划装置以及电力系统

NºPublicación:  CN121889953A 17/04/2026
Solicitante: 
松下知识产权经营株式会社
CN_121889953_PA

Resumen de: CN121889953A

本公开的计划方法是具备燃料电池装置(40)的电力系统(200)中的计划方法,包括对第一方法和第二方法进行切换的步骤,所述第一方法是计划所述燃料电池装置的输出以弥补电力需求者的需求电力与太阳能发电装置(30)的输出之间的差量的方法,所述第二方法是基于在预定期间中能够使用的氢量,计划比通过所述第一方法计划的所述燃料电池装置的输出更受限制的所述燃料电池装置的输出的方法。

用于电化学地生成化学产品的制品、系统及方法

NºPublicación:  CN121889538A 17/04/2026
Solicitante: 
第二阶段化工有限公司
CN_121889538_PA

Resumen de: WO2025034570A2

Some aspects of the present disclosure are generally directed to systems for electrochemically generating compounds, for example, for generating hydrogen peroxide or other applications. In some cases, the systems may include electrodes containing a substrate comprising non-woven fibers comprising carbon, PTFE particles on the substrate, and/or an active material, for example, carbon particles, on the substrate and/or the PTFE. In some embodiments, the systems may generate and/or flow a two-phase solution over and/or through at least a portion of an electrode. Some systems using the electrode structures and/or two-phase solution may promote the formation of three-phase boundaries, and thus may facilitate the electrocatalytic generation of certain compounds at the three-phase boundaries. Still other aspects are directed to methods of making and/or using the systems, or the like.

发电计划方法、发电计划装置以及发电系统

NºPublicación:  CN121889952A 17/04/2026
Solicitante: 
松下知识产权经营株式会社
CN_121889952_PA

Resumen de: CN121889952A

本公开的发电计划方法是包括多个燃料电池单元的燃料电池装置的发电计划方法,具备:接收所述燃料电池装置的发电输出计划值的步骤;为了满足所述发电输出计划值而决定所述多个燃料电池单元中的发电的燃料电池单元的数量和不发电的燃料电池单元的数量的第1决定步骤;以及为了满足对所述发电输出计划值加上所述不发电的燃料电池单元的待机电力的总计而得到的值而决定所述发电的燃料电池单元的数量的第2决定步骤。

用于训练软传感器的方法、燃料电池系统、计算机程序产品、计算机可读介质以及数据载体信号

NºPublicación:  CN121889898A 17/04/2026
Solicitante: 
宝马股份公司
CN_121889898_PA

Resumen de: WO2025021254A1

The present invention relates to a method for training a soft sensor for determining a target measurement variable of a fuel cell system (100), wherein the fuel cell system (100) comprises a first sensor (10) for recording a first measurement variable, a second sensor (20) for recording a second measurement variable, and a control apparatus (50), wherein the control apparatus (50) is designed to determine the target measurement variable using a model stored on the control apparatus (50) at least on the basis of the first measurement variable and the second measurement variable. The fuel cell system also comprises a target variable sensor (40) for determining the target measurement variable. The method comprises, as a step, operating (320) at least one system unit (110) of the fuel cell system (100), which influences the target variable, at at least a first operating point. The method also comprises, as a step, adapting (340) at least one model parameter of the model stored on the control apparatus (50) in such a manner that a discrepancy between the target variable determined by the soft sensor and the target variable determined by the target variable sensor (40) is at least reduced at the first operating point of the system unit (110).

用于确定电化学系统、尤其是燃料电池系统的使用现场数据校正的退化量的方法和虚拟传感器

NºPublicación:  CN121889690A 17/04/2026
Solicitante: 
罗伯特·博世有限公司
CN_121889690_PA

Resumen de: WO2025021338A1

The invention relates to a method (600) for determining a field-data-corrected degradation value of an electrochemical system (13), in particular a fuel cell system or an electrolysis system (13) with a database correction model, and a method (500) for training such a correction model. The invention further relates to a device (100), in particular a virtual sensor, and a digital process twin for determining the corrected degradation value and for monitoring the quality of one or more electrochemical systems (13).

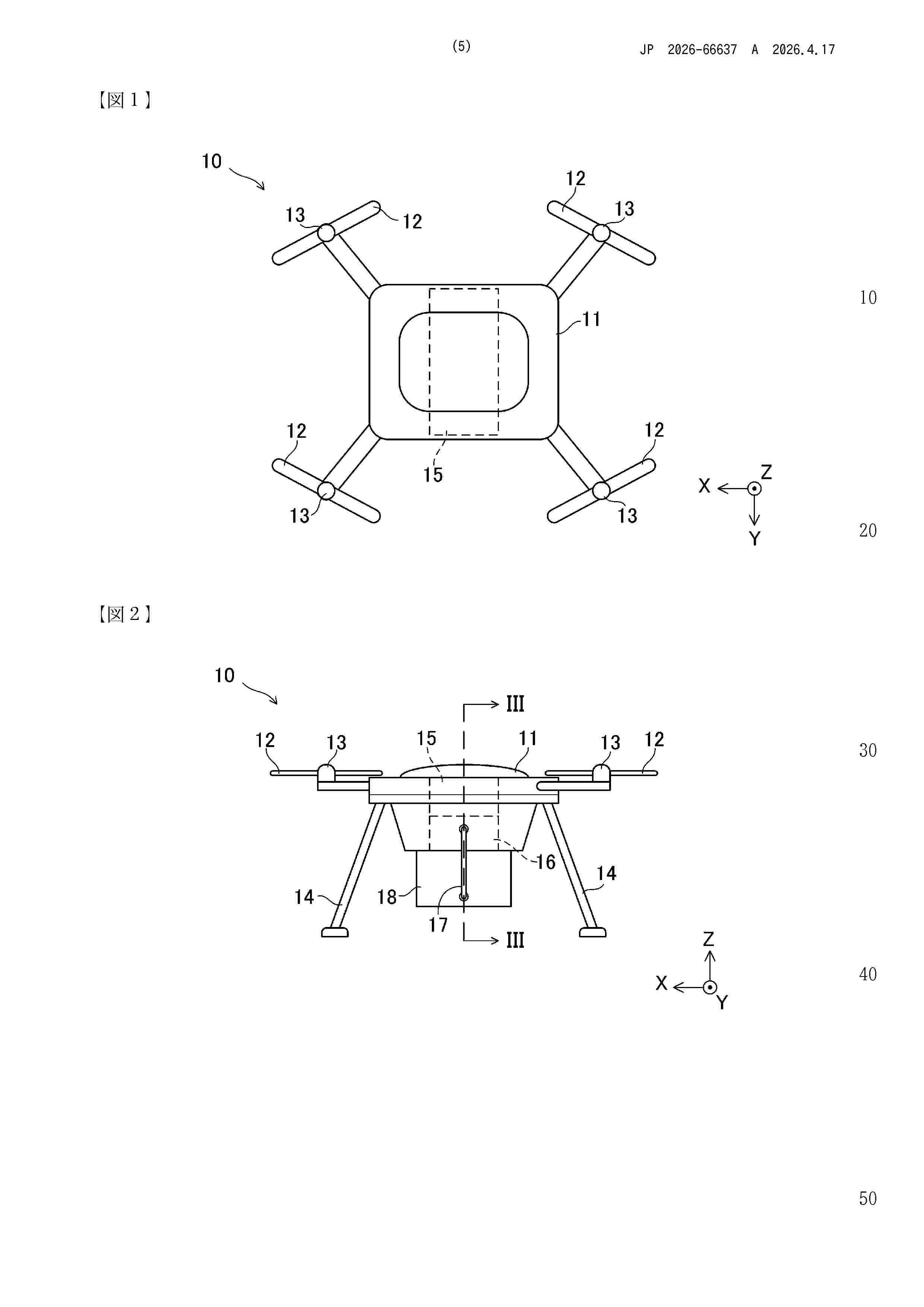
飛行体

NºPublicación:  JP2026066637A 17/04/2026
Solicitante: 
トヨタ自動車株式会社
JP_2026066637_A

Resumen de: JP2026066637A

【課題】本明細書は、テトラヒドロほう酸塩の一種である水素化ホウ酸ナトリウムで水素を発生させ、その水素で発電する燃料電池を備えた飛行体に関し、発電装置を軽量化する技術を提供する。【解決手段】本明細書が開示する飛行体は、水と混合すると水素を発生する水素化ホウ素ナトリウム(SBH)を貯蔵するSBH容器と、SBHに混ぜる水を貯蔵する水容器と、SBHが発生した水素で発電する燃料電池スタックを備える。当該飛行体の外壁がSBH容器の一部と水容器の一部を兼ねている。水容器はSBH容器の上方に配置されており、水容器の底板がSBH容器の天板を兼ねており、底板に弁が設けられている。本明細書が開示する技術では、飛行体の外壁がSBH容器の一部と水容器の一部を兼ねている。この構造によって発電装置の一部を軽量化できる。【選択図】図3

用于制造膜电极接合体的离型膜

NºPublicación:  CN121889899A 17/04/2026
Solicitante: 
株式会社大赛璐
CN_121889899_PA

Resumen de: JP2025063601A

To provide a release film 2 which prevents unintended peeling of an ion exchange resin layer, is excellent in wettability, and can contribute to productivity of a membrane-electrode assembly.SOLUTION: A release film 2 is used for manufacturing a membrane-electrode assembly. The release film 2 has a base material layer 4, and a release layer 6 laminated on the base material layer 4. The main material of the base material layer 4 is polyester. The release layer 6 contains atactic polystyrene. Preferably, average roughness Sa on the back side face of the base material layer 4 is 20 nm or less. Preferably, thickness of the release layer 6 is 0.1 μm or more and 5 μm or less. Preferably, a water contact angle of the surface of the release layer 6 is 92° or less.SELECTED DRAWING: Figure 1

一种燃料电池组的温度控制方法、装置、设备、介质及产品

NºPublicación:  CN121885686A 17/04/2026
Solicitante: 
北京理工大学
CN_121885686_PA

Resumen de: CN121885686A

本申请公开了一种燃料电池组的温度控制方法、装置、设备、介质及产品,涉及温度控制领域,该方法包括实时获取燃料电池组的实测温度;当实测温度小于或等于温度安全阈值时,利用当前负载工况序列和训练后的预测模型得到预测制冷量需求;根据预测制冷量需求确定液冷阀门的目标开度;当实测温度大于温度安全阈值时,发出报警信号并获取液冷阀门的实际开度反馈信号和冷却剂的流量反馈信号;基于实际开度反馈信号、开度阈值、冷却剂的流量反馈信号和流量安全范围确定液冷阀门的目标开度;基于目标开度对液冷阀门进行控制,实现对燃料电池组的温度控制。本申请扩大了平板型热管的制冷范围,以适应燃料电池在不同负载工况下的动态散热需求。

一种直接甲醇燃料电池的纯甲醇供给系统

NºPublicación:  CN224138130U 17/04/2026
Solicitante: 
上海众氢新能源科技有限公司

Resumen de: CN224138130U

本实用新型公开了一种直接甲醇燃料电池的纯甲醇供给系统,涉及直接甲醇燃料电池的技术领域,包括纯甲醇储罐、甲醇水溶液储罐、隔膜泵和甲醇水混液器;甲醇水混液器包括筒体和风机,风机安装在筒体内部,筒体的侧壁上设有甲醇进液口和进水口;隔膜泵设置在纯甲醇储罐的出液口和筒体的甲醇进液口之间的连接管道上,筒体的出口与甲醇水溶液储罐的进液口连接,甲醇水溶液储罐的出液口与直接甲醇燃料电池的甲醇水进液口连接,直接甲醇燃料电池的排水口与筒体的进水口连接。本实用新型利用换热器将甲醇汽化,隔膜泵可真空进液,更容易控制纯甲醇的输送流量,且成本低;利用直接甲醇燃料电池阴极输出的水循环作为水源,输入到甲醇水混液器内混合均匀。

一种具有类金字塔点阵气体分布区结构的燃料电池双极板结构

NºPublicación:  CN224138129U 17/04/2026
Solicitante: 
吉林大学

Resumen de: CN224138129U

本实用新型涉及燃料电池双极板结构领域,公开了一种具有类金字塔点阵气体分布区结构的燃料电池双极板结构,包括双极板主体,所述双极板主体包括流道和气体分布区,且气体分布区设置在流道两侧,所述气体分布区的流道内壁固定设置有若干个凸块,本实用新型的结构提高了气体的再分配能力与传质能力。

一种氢燃料电池活化测试夹持机构

NºPublicación:  CN224138131U 17/04/2026
Solicitante: 
浙江氢航科技有限公司

Resumen de: CN224138131U

本实用新型公开了一种氢燃料电池活化测试夹持机构,探针测试机构包括探针调节板和探针固定板以及探针;探针调节板与探针固定板之间通过弹簧调节螺丝连接,使得探针固定板与探针调节板之间留有活动间隙;探针调节板的长度方向上第一调节组和第二调节组间隔设置;且第二调节组在长度方向上延伸至第一调节组内,使得第一调节组和第二调节组在长度方向上呈交叉状态;第一调节组和第二调节组内均具有贯穿设置的通孔,弹簧调节螺丝穿设在通孔内;而安装在与第一调节组或第二调节组相邻的通孔处的探针固定板可以共用第一调节组和第二调节组。综上,本实用新型具有便于实现对不同范围测试点位的调节,实现非标准电堆检测等优点。

一种氢燃料电池堆的快速密封连接结构

NºPublicación:  CN224138133U 17/04/2026
Solicitante: 
能恒科技(河南)有限公司

Resumen de: CN224138133U

本实用新型公开了一种氢燃料电池堆的快速密封连接结构,涉及电池堆技术领域。该氢燃料电池堆的快速密封连接结构,包括外壳和壳盖,所述壳盖设置在外壳的上方,外壳的内部设置有电池堆;壳盖上转动连接有转动杆,外壳和壳盖上分别固定连接有第一连接耳和第二连接耳;第一连接耳和第二连接耳分别设置在外壳和壳盖的四周,且互相垂直分布;第一连接耳和第二连接耳上设置有固定机构。该氢燃料电池堆的快速密封连接结构,在密封机构的作用下,实现多重密封,因此提高密封组件的耐磨性能,进而确保对外壳和壳盖之间的密封效果,固定机构则可以实现对外壳和壳盖之间的快速拆装,因此方便后续对电池堆进行更换维修。

一种氢燃料电池及膜电极组件

NºPublicación:  CN121885670A 17/04/2026
Solicitante: 
上海氢晨新能源科技有限公司
CN_121885670_PA

Resumen de: CN121885670A

本申请涉及燃料电池技术领域,提供了一种氢燃料电池及膜电极组件,氢燃料电池包括膜电极组件与极板组件,膜电极组件由质子交换膜、阴极碳纸、阳极碳纸与边框一体化集成,边框的粘接区域用于与极板组件实现固定连接;极板组件包括阴极板和阳极板,阳极板粘接固定于边框的一侧,阴极板与边框的另一侧面之间通过粘接层粘接固定,阳极板上还集成有凸起结构。本申请通过提供一种单侧胶膜粘接的膜电极组件,大幅减少了零部件数量,显著降低了生产制造的工艺难度和材料成本;在保持边框原有厚度不变的前提下,有效减小了单节电池的整体厚度,提升了燃料电池电堆的体积功率密度。

基于固体氧化物燃料电池的船舶能源一体系统及控制方法

NºPublicación:  CN121885673A 17/04/2026
Solicitante: 
中国舰船研究设计中心武汉理工大学
CN_121885673_PA

Resumen de: CN121885673A

本申请公开了基于固体氧化物燃料电池的船舶能源一体系统及控制方法,涉及船舶系统技术领域,系统包括上位机、燃料罐、预热器、重整器、固体氧化物燃料电池、空压机、水罐、蒸发器、加燃室、有害气体处理单元、浓度检测预警单元、干粉灭火单元、发电机、蓄电池、若干个流量计以及多路阀;其中,该系统配备多种燃料,以供固体氧化物燃料电池使用。本申请能源一体箱内部件较少,实现了高效能量转化,该系统采用多级热电联用及燃料的冷能利用,多级能量回收管理最大限度地发挥固体氧化物燃料电池在船舶能源领域优势。本申请不局限于一种燃料放电方式,通过与不同燃料系统相匹配,弥补了固体氧化物燃料电池启动时间供电空缺,并减缓了启动时间。

对停机状态下燃料电池系统的排水进行控制的方法和设备

NºPublicación:  CN121885683A 17/04/2026
Solicitante: 
博世氢动力系统(重庆)有限公司
CN_121885683_PA

Resumen de: CN121885683A

本发明涉及对停机状态下燃料电池系统排水进行控制的方法,包括:确定系统在运行过程中停机;确定停机是否为由于系统的故障或潜在故障造成的紧急停机;当确定停机为紧急停机时,对系统中设置于气液分离器下游的排水阀进行控制,使其在紧急停机发生后的一延迟时间开启,并在开启排水阀一持续时间后将其再次关闭,基于从紧急停机发生至气液分离器内所分离的阳极介质达到最终稳态所经历的时间或者基于气液分离器的与排出液态水的效率相关的参数而确定排水阀延迟开启和关闭的时机。还涉及相关控制设备和计算机程序产品,在紧急停机情况下将气液分离器中的液态水尽可能多地排出,减少冷启动所需时间和能耗,提高燃料电池系统的冷启动性能及低温鲁棒性。

多模块柔性固态储氢燃料电池系统的协同控制方法及系统

NºPublicación:  CN121885682A 17/04/2026
Solicitante: 
河海大学中科南京未来能源系统研究院
CN_121885682_PA

Resumen de: CN121885682A

本发明涉及燃料电池领域,具体为多模块柔性固态储氢燃料电池系统的协同控制方法及系统。其方法包括以下步骤:S1、实时采集至少并联设置两个的储氢模块的压力信号与温度信号、燃料电池模块的负载信号以及环境温度信号;S2、判断系统是否进入低温启动模式:若是,则执行低温启动控制子流程:选定一目标储氢模块,控制热管理子系统将可用热源集中导向该目标模块;若否,则执行正常运行控制子流程:根据各储氢模块的压力信号执行主‑备供氢调度以确定当前主供氢模块,并根据主供氢模块的温度信号及燃料电池模块的负载信号,控制热管理子系统进行动态热分配。本发明能在低温下可靠、快速启动与运行,提升了系统能效,延长了系统整体效率和寿命。

一种液氢撬装加氢站用换热加氢充电系统

NºPublicación:  CN224135678U 17/04/2026
Solicitante: 
烟台东德氢能技术有限公司

Resumen de: CN224135678U

本实用新型涉及液氢储氢技术领域,尤其涉及一种液氢撬装加氢站用换热加氢充电系统。液氢储罐的底部通过自增压管路与自增压器的进液口相连接,自增压器的出气口通过气体管路与液氢储罐的顶部相连接,液氢储罐的顶部与汽化器相连接,汽化器通过管路与第一储氢瓶组相连接,第一储氢瓶组再连接氢燃料电池,氢燃料电池连接充电桩;液氢储罐的底部通过进液管路与柱塞泵的增压腔进液口相连接,柱塞泵的排液口通过管路与换热器相连接,换热器通过管路与第二储氢瓶组相连接,第二储氢瓶组连接氢气冷却器,氢气冷却器连接氢气加氢机;自增压器无需另外设置增压泵,节约电能,柱塞泵具有高压、流量大的优点,加氢速度快,在加氢高峰期也能够满足加氢需求。

一种基于串级PID控制的燃料电池热管理的仿真方法

NºPublicación:  CN121885681A 17/04/2026
Solicitante: 
西北工业大学宁波研究院
CN_121885681_PA

Resumen de: CN121885681A

本发明公开了一种基于串级PID控制的燃料电池热管理的仿真方法,具体涉及燃料电池控制的领域。包括:构建电堆热物理模型、冷却水热物理模型、散热器模型及水泵模型,并获取产热功率、两个模型的实时温度及环境温度;在电堆的温度高时,增大水泵开度;根据两个模型的温度差和电堆换热系数,确定冷却水散热量;根据产热功率、冷却水散热量和电堆热容参数,更新电堆的实时温度;在冷却水的温度高时,增大散热开度;并根据冷却水与环境的温度差和散热器换热系数,确定散热器散热量;根据冷却水散热量、散热器散热量和冷却水热容参数,更新冷却水的实时温度。基于上述方法,能防止电堆因长时间过热而缩短寿命。

一种质子交换膜燃料电池余热发电控制方法、系统、设备及介质

NºPublicación:  CN121887007A 17/04/2026
Solicitante: 
贵州电网有限责任公司
CN_121887007_PA

Resumen de: CN121887007A

本发明公开了一种质子交换膜燃料电池余热发电控制方法、系统、设备及介质,方法包括以下步骤:采集质子交换膜燃料电池堆温度、排气管温度、散热片温度、热电发电机输出电压以及热电发电机输出电流;根据所述热电发电机输出电压以及所述热电发电机输出电流计算热电发电机输出功率,并根据所述热电发电机输出功率的变化量与所述热电发电机输出电压的变化量的比值调节负载电阻;当所述温差大于或等于所述预设温差阈值时切换为自然对流散热。本发明通过采集燃料电池堆温度、排气管温度、散热片温度以及热电发电机输出电压和电流,建立了热源温度控制、热电转换功率优化以及冷端散热管理三者之间的闭环控制关系。

一种风光互补发电储氢系统及其燃料电池能量管理方法

NºPublicación:  CN121886522A 17/04/2026
Solicitante: 
中国电建集团华东勘测设计研究院有限公司
CN_121886522_PA

Resumen de: CN121886522A

本发明提供了一种风光互补发电储氢系统及其燃料电池能量管理方法,包括实时通过风光发电量与负载需求功率计算功率差值Pnet,通过数据采集模块,采集蓄电池荷电状态(SOC)、储氢瓶氢气含量(SHC);根据功率差值Pnet、蓄电池荷电状态(SOC)、储氢瓶氢气含量(SHC)判断燃料电池与蓄电池的工作时段;构建等效氢耗最小策略ECMS;采用抗干扰的PI控制,对燃料电池的输出功率Pfc进行调整,使燃料电池的实际输出功率接近分配功率。本发明根据不同工况以及等效氢耗最小策略ECMS分配功率,并采用抗干扰PI控制控制输出功率,满足高波动负载和经济性的双重需求,在减少氢气消耗的同时,保证输出功率稳定,并延长燃料电池与蓄电池的使用寿命。

一种半封闭式阴极空冷型燃料电池金属双极板、电堆、系统与设计方法

NºPublicación:  CN121885666A 17/04/2026
Solicitante: 
太原科技大学新疆智能装备研究院
CN_121885666_PA

Resumen de: CN121885666A

本发明属于燃料电池技术领域,具体涉及一种半封闭式阴极空冷型燃料电池金属双极板、电堆、系统与设计方法,其中,阴极板、冷却板和阳极板的活性区叠加形成金属双极板的活性区,金属双极板的活性区分为入口侧低电流密度中压降区、中部中电流密度低压降区以及出口侧高电流密度高压降区;本发明兼具开放式阴极燃料电池结构简单与闭式阴极空冷燃料电池功率密度大的优点,有效规避了开放式阴极结构因直接暴露于外部环境而导致的温度、湿度及污染物干扰等问题,显著提升了系统的环境适应性;同时,也克服了传统闭式阴极空冷燃料电池系统结构复杂、成本高以及控制策略复杂等不足。

一种改性PAN和槲皮素掺杂磺化聚芳醚酮质子交换膜及其制备方法与应用

NºPublicación:  CN121885692A 17/04/2026
Solicitante: 
季华实验室
CN_121885692_PA

Resumen de: CN121885692A

本发明涉及质子交换膜制备技术领域,公开了一种改性PAN和槲皮素掺杂磺化聚芳醚酮质子交换膜及其制备方法与应用,其包括步骤:采用单体共聚法合成磺化聚芳醚酮,通过对聚丙烯腈进行羧基改性得到改性PAN,然后将SPAEK、改性PAN与槲皮素共混成膜。在本发明中,改性PAN的氰基与SPAEK磺酸基形成酸碱对交联网络抑制溶胀,其羧基参与质子传导;槲皮素的多酚羟基构建氢键网络增强结构致密性,并作为自由基清除剂提升抗氧化稳定性。本发明通过三组分协同作用,成功解决了SPAEK膜存在的质子传导率与尺寸稳定性难以平衡、抗氧化性能差的技术问题,所得复合膜兼具高质子传导率、低溶胀率和优异氧化稳定性,适用于全钒液流电池。

基于数据特征的船舶氢燃料电池功率预测方法及系统

NºPublicación:  CN121885680A 17/04/2026
Solicitante: 
江苏大学
CN_121885680_PA

Resumen de: CN121885680A

本发明公开了基于数据特征的船舶氢燃料电池功率预测方法及系统,属于船舶动力控制技术领域。该方法包括以下步骤:S1:构建多源信息融合的置信度评估体系,生成实时的综合预测置信度指数;S2:将所述综合预测置信度指数与预设的第一安全阈值进行比较,生成主动探索扰动指令;S3:封装为带有时间戳的探索实验数据包;S4:对影子学习模型的内部参数进行增量更新;S5:完成主预测模型的在线自适应校正。本发明通过构建实时置信度评估与安全边界内主动探索学习相结合的闭环机制,解决了现有技术中因预测模型固化无法适应动态工况变化,导致控制系统基于错误预测产生负向优化,进而引发性能隐性退化的恶性循环问题。

一种集成地面-地下三循环路径切换的盐穴液流电池系统

NºPublicación:  CN121885679A 17/04/2026
Solicitante: 
中海储能科技(北京)有限公司
CN_121885679_PA

Resumen de: CN121885679A

本发明属于大规模电化学储能领域,具体公开了一种集成地面‑地下三循环路径切换的盐穴液流电池系统,通过全地面、全地下、地面/地下循环三条路径的灵活切换,与“高活性、高适配性电解液体系”的协同设计,实现循环模式灵活适配、能量密度大幅提升、能耗降低及系统稳定性优化的多重目标。通过本发明在盐穴检修、电解液活化或地面模块维护时无需整体停机,系统连续运行率≥98%,远高于现有单一循环路径技术,可满足电网对储能系统持续供电的严苛要求。本发明针对性研发的高活性电解液体系,适配0.1‑12MPa压力、10‑70℃温度的宽范围波动,500次充放电循环后容量保持率≥94.5%,有效避免循环工况下活性物质析出、分解及管路腐蚀问题,电解液使用寿命延长10%以上。

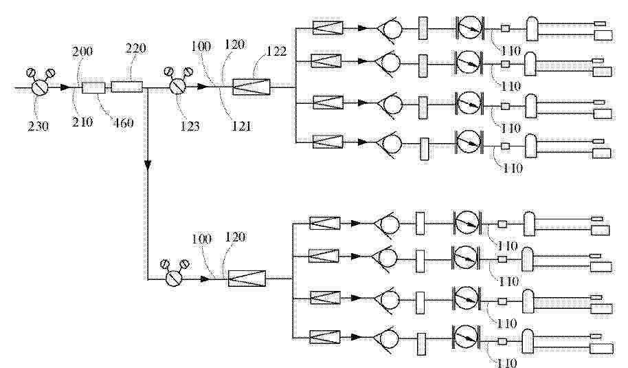
一种氢燃料电池无人机氢气路系统

Nº publicación: CN121885675A 17/04/2026

Solicitante:

浙江比洛德新能源有限公司

CN_121885675_PA

Resumen de: CN121885675A

本发明公开了一种氢燃料电池无人机氢气路系统,包括设置于无人机机架上的氢瓶、减压阀、氢气进堆阀、氢气压力传感器、燃料电池堆、汽水分离器、双变量蠕动泵和排水阀。系统通过管路构建闭式氢气循环回路,连接上述部件,实现对未反应氢气的主动回收利用,并借助双变量蠕动泵,可独立调节其转速与挤压程度,从而动态控制氢气循环的流量与流体冲刷强度,该系统能够加快氢气流动、提升反应速率,并利用循环气体实现加湿加温,同时有效将电堆内生成的液态水携带排出,防止水汽凝结堵塞,由此,系统在显著提高氢气利用率与反应效率的基础上,从根本上解决了无人机燃料电池在动态飞行工况中的水热管理难题。

traducir