Ministerio de Industria, Turismo y Comercio LogoMinisterior
 

Alerta

Resultados 121 resultados
LastUpdate Última actualización 22/01/2026 [07:17:00]
pdfxls
Solicitudes publicadas en los últimos 60 días (excluida automoción) / Applications published in the last 60 days (Automotion publications excluded)
Resultados 1 a 25 de 121 nextPage  

Carbon nanodot compounds, methods of production, and methods of use

NºPublicación:  GB2642745A 21/01/2026
Solicitante: 
CDOTBIO LTD [GB]
CDotBio Limited
GB_2642745_PA

Resumen de: GB2642745A

Carbon nanodot (CND) compounds comprising a CND core that is functionalized on the surface with a polyethyleneimine polymer are claimed as are a CND-nucleic acid. Methods of making CND compounds and their complexes with nucleic acids are also disclosed. Uses of the compounds as delivery agents for nucleic acids to the cells of insects and plants are also disclosed. The compounds may also protect the nucleic acids from nucleases, specifically in an insect gut. The complexes may be used to prevent pests from damaging post-harvest flowers or vegetables. Preferably, the carbon nanodot cores are not made from polyethyleneimine but are instead made by heating an amino-sugar and an amino-acid. In a preferred embodiment, the amino-sugar is glucosamine, and the amino-acid is beta-alanine.

一种柔性无线无源声表面波多通道气体传感器及其制备方法

NºPublicación:  CN121364237A 20/01/2026
Solicitante: 
北京深谋科技有限公司
CN_121364237_PA

Resumen de: CN121364237A

本发明涉及传感器技术领域,提出了一种柔性无线无源声表面波多通道气体传感器及其制备方法,传感器包括柔性衬底、压电薄膜、叉指换能器和反射栅,压电薄膜设置于柔性衬底表面;叉指换能器有四组,阵列设置于压电薄膜表面;每个叉指换能器的两侧均对称设置两组反射栅。其中,三组所述输入叉指换能器和输出叉指换能器之间的区域分别涂覆敏感材料:SnO2/Pd/MnOx/KH‑560/CNTs/PVP复合材料、PANI纳米纤维/KH‑560复合材料和分子印迹聚合物,剩下一组不涂覆敏感材料,作为参考。本发明传感器的敏感材料提升了传感器的灵敏度和选择性,缩短了响应时间以及降低了湿度干扰的影响,适用于CO、乙醇和丙酮气体检测。

一种单宁酸修饰的氢键强化型碳纳米管制备方法

NºPublicación:  CN121361787A 20/01/2026
Solicitante: 
电子科技大学
CN_121361787_PA

Resumen de: CN121361787A

本发明属于功能材料技术领域,公开了一种单宁酸修饰的氢键强化型碳纳米管制备方法。该制备方法包括如下步骤:(1)将单宁酸(TA)配制为单宁酸水溶液(a‑TA);(2)将商用氨基化碳纳米管(NCNT)在水中充分分散,得到碳纳米管分散液(d‑NCNT);(3)将a‑TA与d‑NCNT混合并充分搅拌,得到TA修饰的碳纳米管分散液(d‑TNCNT);(4)将d‑TNCNT经离心,纯化与冷冻干燥即可得到目标产品。本发明产品能在电极结构中提供氨基(‑NH2),质子化氨基(‑NH3+)与酚羟基(‑OH)三种氢键位点,改善碳纳米管与活性材料的界面相互作用,优化电极在循环过程中的机械稳定性与导电网络稳定性。

一种高倍率碳纳米球自组装薄膜电极及其制备方法

NºPublicación:  CN121366877A 20/01/2026
Solicitante: 
上海交通大学
CN_121366877_PA

Resumen de: CN121366877A

本发明公开了一种高倍率碳纳米球自组装薄膜电极及其制备方法,包括如下步骤:步骤一:将难溶钙盐加入到海藻酸钠溶液中,再加入葡萄糖酸内酯水溶液,得到海藻酸钠水凝胶;步骤二:将海藻酸钠水凝胶进行蒸发诱导干燥,得到海藻酸钠薄膜;步骤三:将海藻酸钠薄膜浸泡在Fe3+溶液中,交联形成海藻酸铁薄膜;步骤四:将海藻酸铁薄膜进行煅烧碳化,经酸洗刻蚀后,即得。本发明通过自组装纳米水凝胶膜的致密化和催化石墨化工艺,合成了密度高达1.18g cm‑3的致密碳薄膜电极。这些足够小且互锁的纳米碳球(<100nm)形成了互连的电子传导网络,同时该自组装架构自发产生了网络拓扑性离子传输通道,用于高电流密度下钠离子存储仍有很好的能量存储和释放能力。

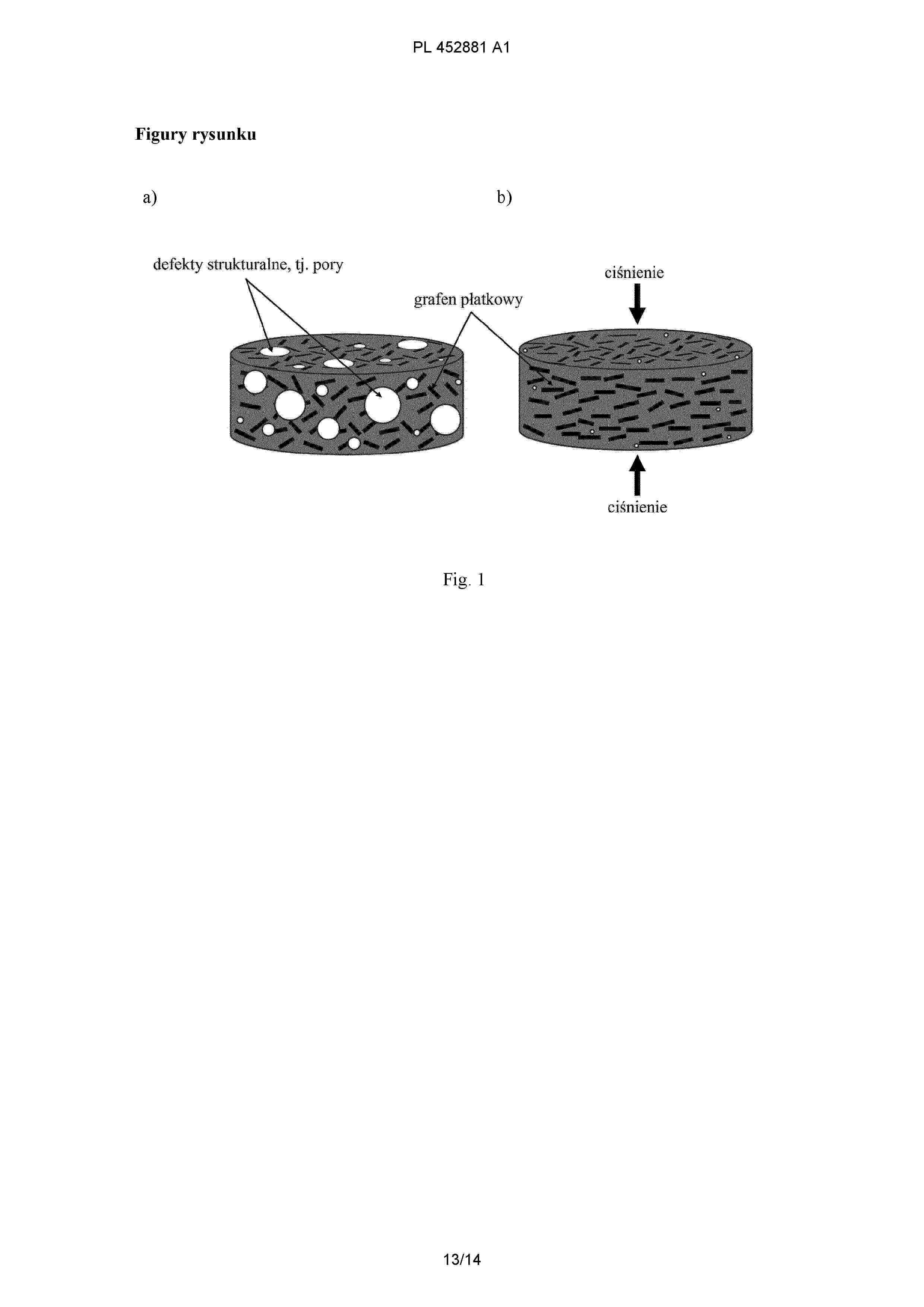
Composite material based on polyurethane resin with graphene and method of producing it

NºPublicación:  PL452881A1 19/01/2026
Solicitante: 
POLITECHNIKA WARSZAWSKA [PL]
POLITECHNIKA WARSZAWSKA
PL_452881_A1

Resumen de: PL452881A1

Przedmiotem zgłoszenia jest materiał kompozytowy na bazie żywicy poliuretanowej z grafenem przeznaczony do stosowania jako materiał o zwiększonym przewodnictwie cieplnym, charakteryzujący się tym, że zawiera matrycę polimerową w zakresie od 75% do 84% wag, utwardzacz w zakresie od 15,5% do 17% wag. oraz nanonapełniacz w zakresie od 0,5% do 10% wag. w odniesieniu do całkowitej masy materiału kompozytowego, przy czym matrycę polimerową stanowi żywica poliuretanowa, utwardzacz stanowi izocyjanian, a nanonapełniacz stanowi grafen płatkowy. Przedmiotem zgłoszenia jest również sposób wytwarzania materiału kompozytowego na bazie żywicy poliuretanowej z grafenem.

Method for producing a composite of sodium vanadium fluorophosphate with amorphous carbon, a positive electrode material for sodium-ion cells produced by this method, and a sodium-ion cell using this electrode material

NºPublicación:  PL449249A1 19/01/2026
Solicitante: 
UNIV WARSZAWSKI [PL]
UNIWERSYTET WARSZAWSKI
PL_449249_A1

Resumen de: PL449249A1

Przedmiotem zgłoszenia jest sposób wytwarzania kompozytu fluorofosforanu sodowo-wanadowego z węglem amorficznym, krystalizującego w strukturze NASICON-u, polegający na przygotowaniu stałej, homogenicznej i stechiometrycznej mieszaniny prekursorów zawierających jony Na+, VO3-, PO43- i F- oraz przeciwjony ulegające rozpadowi do produktów gazowych w wysokiej temperaturze, którą to mieszaninę poddaje się obróbce termicznej i następczej homogenizacji z materiałem węglowym charakteryzujący się tym, że stała homogeniczna mieszanina prekursorów, zawierająca dodatkowo utleniacz i paliwo, poddawana jest samospaleniu, a otrzymany materiał poddawany jest mieleniu z węglem bezpostaciowym z następczą obróbką termiczną, gdzie: przygotowuje się roztwór utleniacza, zawierający NH4F, (NH4)2HPO4 i NaNO3 w stosunku molowym 3:2:3 w wodzie dejonizowanej w zlewce z PTFE, przy czym utleniaczem są aniony azotanowe, przygotowuje się roztwór paliwa zawierający NH4VO3 i kwas cytrynowy w stosunku molowym 3:2 w wodzie dejonizowanej w zlewce szklanej, przy czym paliwem jest kwas cytrynowy, roztwór utleniacza i roztwór paliwa poddaje się jednoczesnemu mieszaniu i ogrzewaniu w temperaturze 80°C, do momentu, gdy roztwór paliwa zmieni kolor na niebieski, dodaje się kropla po kropli roztwór paliwa do roztworu utleniacza przy ciągłym mieszaniu przy zachowaniu stosunku molowego NH4VO3 do (NH4)2HPO4 wynoszącego 1:1, a następnie ogrzewa się w temperaturze 80°C do c

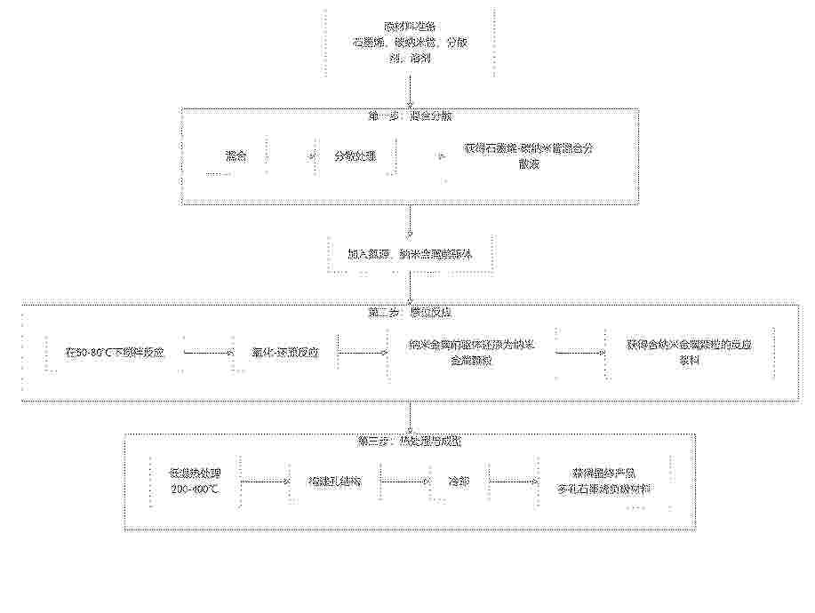
一种多孔石墨烯负极材料及其制备方法

NºPublicación:  CN121355231A 16/01/2026
Solicitante: 
新乡市远东电子科技有限公司
CN_121355231_PA

Resumen de: CN121355231A

本发明提供了一种多孔石墨烯负极材料及其制备方法,涉及石墨烯材料技术领域,包括以下质量比成分:石墨烯10‑30份、碳纳米管2‑8份、氮源5‑15份、纳米金属颗粒1‑5份、分散剂0.5‑3份及溶剂50‑80份;所述碳纳米管用于连接分散的石墨烯片层并抑制其堆叠,所述氮源用于在石墨烯碳骨架中引入氮掺杂缺陷位点,所述纳米金属颗粒用于构建石墨烯‑金属导电网络;本发明通过合理配比石墨烯与碳纳米管,使碳纳米管同时发挥桥梁与支柱作用,有效连接分散的石墨烯片层并抑制其堆叠,形成贯穿材料颗粒的高速电子传导通道,显著降低电极内阻,大幅提升负极的大电流充放电能力,解决了传统石墨烯负极因堆叠导致的导电性差问题。

一种单分散环糊精衍生炭纳米球及其制备方法

NºPublicación:  CN121342003A 16/01/2026
Solicitante: 
北京化工大学
CN_121342003_PA

Resumen de: CN121342003A

本发明提供一种单分散环糊精衍生炭纳米球及其制备方法,涉及材料领域。单分散环糊精衍生炭纳米球的制备方法包括:将环糊精、表面活性剂和水混合,进行水热炭化反应;所述水热炭化反应结束后,将混合物冷却、离心分离,并在所述离心分离的过程中加入电解质,再洗涤、收集固体产物,干燥得到所述单分散环糊精衍生炭纳米球。该方法基于水热炭化过程,制备出具有单分散特性的炭纳米球,整个工艺简单、条件温和、环境友好,所制得的材料在储能、吸附剂及催化剂载体等多个领域展现出广泛的应用潜力。

一种纳米石墨烯粉制备方法

NºPublicación:  CN121338896A 16/01/2026
Solicitante: 
中科国京(合肥)控股有限公司
CN_121338896_PA

Resumen de: CN121338896A

本发明涉及石墨烯加工技术领域,具体公开了一种纳米石墨烯粉制备方法,所述制备方法包括称取石墨原料;打开投料舱的卸料阀,将石墨原料投入稳压舱;将石墨原料由稳压舱吸入一级气流磨高压舱,进行一级气磨,得到一级磨料;将厚度不大于10微米的一级磨料输送至二级气流磨高压舱;由二级气流磨高压舱对一级磨料进行加工,得到二级磨料;将厚度不大于100纳米的二级磨料输送至流能解聚舱;由流能解聚舱对二级磨料进行加工,筛选得到纳米石墨烯粉;本发明通过三级梯度化加工架构对高纯石墨原料进行加工,在每一加工环节中引入负反馈调节方案,对不同阶段的产物质量进行把控,构建了一种递进式的加工工艺,极大地提高了产物率。

一种金属掺杂碳点纳米酶及其制备方法、应用

NºPublicación:  CN121342002A 16/01/2026
Solicitante: 
中国科学院大连化学物理研究所
CN_121342002_PA

Resumen de: CN121342002A

本发明公开了一种金属掺杂碳点纳米酶及其制备方法、应用,所述制备方法包括:(1)采用固相热解法对含有多元酸和多元胺的混合物进行脱水、聚合反应,得到粗产物碳点;(2)将所述粗产物碳点溶于溶剂中,反相沉淀得到纯化后的碳点;(3)将所述纯化后的碳点与金属盐混合溶解,反相沉淀得到所述金属掺杂碳点纳米酶。此制备方法简单快捷,产率高,可以用于水果保鲜。

一种多孔碳纳米纤维及其制备方法与应用

NºPublicación:  CN121355269A 16/01/2026
Solicitante: 
广东工业大学
CN_121355269_PA

Resumen de: CN121355269A

本发明提出了一种多孔碳纳米纤维及其制备方法与应用,属于钠金属电池技术领域。本发明先将聚丙烯腈溶于N,N‑二甲基甲酰胺中,然后加入氯化亚锡二水合物,得到含锡的纺丝溶液,随后通过高压静电纺丝机纺丝后得到Sn@PAN,经过固化以及高温氧化后得到SnO2@NC,最后经过碲化处理后得到SnO2/SnTe@NC的多孔碳纳米纤维材料。该材料的纤维结构均匀分布SnO2/SnTe异质结构,电激活后产生的Na2O和Na2Te可作为无机组分参与SEI的形成,增强SEI的机械强度并且加快钠离子传输;均匀分布的Na15Sn4可作为亲钠位点,诱导钠均匀沉积,有效抑制钠枝晶的生长,显著提高钠金属电池的循环寿命和稳定性。

单壁碳纳米管提纯方法及单壁碳纳米管

NºPublicación:  CN121342008A 16/01/2026
Solicitante: 
东莞瑞泰新材料科技有限公司
CN_121342008_A

Resumen de: CN121342008A

本发明涉及一种单壁碳纳米管提纯方法及单壁碳纳米管,单壁碳纳米管提纯方法包括如下步骤:预氧化:对单壁碳纳米管进行预氧化处理;超临界萃取:将预氧化后的单壁碳纳米管进行超临界萃取分离纯化;其中,将预氧化中间产物置于超临界萃取系统的萃取单元,引入超临界流体、共溶剂及螯合试剂,在设定参数下萃取,使金属杂质与螯合试剂形成可溶螯合物、无定形碳溶解于超临界流体;后处理:从萃取单元中收集固体物质,过筛分离得到纯化后的单壁碳纳米管。如此,采用预氧化和超临界萃取结合的方法,采用螯合剂与金属杂质形成可溶螯合物,结合超临界流体的强溶解特性,实现金属杂质高效去除,能够减少杂质,提高产物纯度。

基于水滑石前体构建Ru点缀Co7Fe3电催化剂的制备方法及应用

NºPublicación:  CN121344646A 16/01/2026
Solicitante: 
河南科技大学
CN_121344646_PA

Resumen de: CN121344646A

本发明提供了一种基于水滑石前体构建Ru点缀Co7Fe3电催化剂的制备方法,该方法包括制备CoFe‑LDH/GO前驱体和制备Ru/Co7Fe3/rGO。还提供了应用,该电催化剂用于碱性KOH电解液中电解水制氢。本发明在GO上均匀分散的Ru颗粒和Co7Fe3合金颗粒,促进反应活性位点与碱性电解质的充分接触,提升了电催化活性,Ru的引入促进了合金水分解的过程,提升了OER和HER的反应动力学,达到优化CoFe合金HER性能的目的。

碳点纳米酶的制备方法及其在果蔬保鲜和作物生长中的应用和方法

NºPublicación:  CN121342581A 16/01/2026
Solicitante: 
新疆大学
CN_121342581_PA

Resumen de: CN121342581A

本发明提供了一种碳点纳米酶在果蔬保鲜和作物生长中的应用。本发明还提供一种碳点纳米酶的制备方法,该碳点纳米酶以农业废弃物为主要碳源,通过引入氮掺杂剂及抑菌增强剂,采用水热法合成制得。本发明所得碳点纳米酶可通过叶面喷施或采后处理方式应用于多种果蔬保鲜,有效延长保鲜期、降低失重率并维持营养成分;同时,该碳点纳米酶可作为生物肥料通过叶面喷施促进作物生长、提高作物产量。本发明制备的碳点纳米酶的原料来源广泛、成本低廉,制备工艺简单,具有良好的生物相容性和多功能效果,适配果蔬保鲜与作物生长促进的规模化需求,同时能够清除作物中的活性氧,实用性较强,有利于推广。

一种碳纳米管气凝胶及其制备方法

NºPublicación:  CN121342006A 16/01/2026
Solicitante: 
哈尔滨工业大学
CN_121342006_PA

Resumen de: CN121342006A

一种碳纳米管气凝胶及其制备方法,属于碳基气凝胶材料领域。所述碳纳米管气凝胶主要由高长径比碳纳米管和原位生成的玻璃碳固结节点构成三维多孔网络;玻璃碳主要分布在碳纳米管的搭接节点处。所述方法为:利用碳源在催化剂的条件下沉积碳纳米管,形成三维气凝胶网络;反应温度为600℃~1200℃,碳源和催化剂溶液进给速率控制在0.1~10 mL/min,反应时间为5min~48h。本发明制备得到的碳纳米管气凝胶兼具高强度与高弹性变形能力。碳纳米管网络提供了优异的可逆弹性,能够实现超过50%甚至90%的大幅度可逆压缩应变;玻璃碳固结节点则显著提高了节点结合强度,使材料整体压缩强度可达MPa级别,从而突破了现有碳纳米管气凝胶仅有kPa级强度的瓶颈。

一种锂电池负极材料及其制备方法

NºPublicación:  CN121355205A 16/01/2026
Solicitante: 
湖南久森新能源有限公司
CN_121355205_A

Resumen de: CN121355205A

本发明提供一种锂电池负极材料及其制备方法,涉及锂电池技术领域。具体制备步骤包括:(1)将黄腐酸加入碱性溶液浸渍,过滤,冷冻干燥,得到处理后黄腐酸;(2)将处理后黄腐酸和三聚氰胺加入缓冲溶液中,振荡,等离子体处理,过滤,在惰性气氛下梯度煅烧,得到层状氮/碳纳米片;(3)将层状氮/碳纳米片和马来酸酐加入到正己烷中反应,得到酸酐接枝的层状氮/碳纳米片;(4)将纤维素纳米晶、柠檬酸钠和(3‑氨丙基)三乙氧基硅烷加入缓冲溶液中,微波处理,得到改性纤维素纳米晶;(5)将酸酐接枝的层状氮/碳纳米片和改性纤维素纳米晶复合得到锂电池负极材料。本发明的负极材料显著增加锂离子扩散效率,增强储锂性能,提高倍率性能。

一种ZIF-67衍生的钴氧化物的制备方法及其在电化学还原硝酸盐中的应用

NºPublicación:  CN121342099A 16/01/2026
Solicitante: 
昆明有色冶金设计研究院股份公司
CN_121342099_PA

Resumen de: CN121342099A

本发明公开了一种ZIF‑67衍生的钴氧化物的制备方法及其在电化学还原硝酸盐中的应用,属于电化学技术领域。将钴盐和2‑甲基咪唑以质量比0.1~0.8:1分别溶解在甲醇中,连续搅拌12~36 h,离心洗涤后烘干得到ZIF‑67。将ZIF‑67在空气气氛中煅烧,温度250~500℃,升温速率2~10℃/min,保温1.5~3 h,然后将产物恢复至室温,得到Co3O4/C颗粒。将Co3O4/C颗粒与电解质溶液混合制备成电浆液作为流动阴极;电解质溶液中Na2SO4浓度为0.05~0.2 M,NaNO3初始浓度为10~1000 mg N/L;电浆液中Co3O4/C颗粒质量分数为0.1~1%;阳极电解质为硫酸钠;采用恒电流操作。所述Co3O4/C颗粒的制备方法工艺简单、成本低廉,将Co3O4/C颗粒应用于流动电极系统用于电化学还原硝酸盐,能在2 h达到92.6%的硝酸盐去除率和98.7%的氨选择性,且在多次循环中均表现出出色的还原性能。

硒化锰-碳纳米管复合多孔碳材料及其制备方法

NºPublicación:  CN121355239A 16/01/2026
Solicitante: 
湖南长扬新能源科技有限公司湖南长宇科技发展有限公司
CN_121355239_A

Resumen de: CN121355239A

本发明提供一种硒化锰‑碳纳米管复合多孔碳材料及其制备方法,该制备方法将具有优异导电性能的碳纳米管、纳米硒粉、锰盐和聚乙烯吡咯烷酮作为反应原料,通过程序升温实现硒化和碳化一步完成,缩短了反应流程,降低了生产的经济和时间成本,克服了目前负极材料制备过程中需要添加各种化学试剂、制备工艺复杂的问题,并且本发明所采用的制备方法,无污染物排放,符合绿色化学的原则,有利于环境保护。

ENCAPSULATED TRANSITION METAL OXIDE NANORODS FOR DURABLE AIR CATHODES

NºPublicación:  AU2024288121A1 15/01/2026
Solicitante: 
UNIV DE SANTIAGO DE COMPOSTELA
UNIVERSIDADE DE SANTIAGO DE COMPOSTELA
AU_2024288121_A1

Resumen de: WO2025012300A1

It relates to a material comprising a plurality of nanorods encapsulated within open-ended hollow carbon nanostructures, wherein the plurality of nanorods is composed of either a) a transition metal oxide of the formula AzM'2 yMn1 -xO2 (A), or alternatively, b) a transition metal oxide of the formula M''3m/nM2-mO3 (B), as defined herein, wherein the transition metal oxide of the formula (A) or formula (B) is in an amount from 20 to 60% by weight with respect to the total material weight; and the volume of the nanorods encapsulated within hollow carbon nanostructures is equal to or less than 50% with respect of the total cavity volume of the hollow carbon nanostructures, in particular, wherein the hollow carbon nanostructures are tubular and their internal average diameter is at least 2 times the average thickness of the nanorods. It also relates to a process for preparing this material, to a precursor material RtM'''3-tO4 (C) as defined herein from which the material is obtained, and to the use of the material as electrocatalyst in different applications.

DEVICE AND DEVICE ARRANGEMENT FOR ARTIFICIAL NEURAL NETWORK COMPRISING SAME, AND METHODS FOR FORMING SAME

NºPublicación:  WO2026013585A1 15/01/2026
Solicitante: 
VICTORIA LINK LTD [NZ]
VICTORIA LINK LIMITED
WO_2026013585_PA

Resumen de: WO2026013585A1

According to embodiments of the present invention, a device is provided. The device includes a substrate, a plurality of carbon nanotubes arranged in a two-dimensional layer with a thickness of between about 1 nm and about 40 nm on the substrate, the plurality of carbon nanotubes being arranged with gaps between the carbon nanotubes, and a conducting polymer arranged over the plurality of carbon nanotubes and in the gaps, wherein the device is configured for, in response to an electrical signal applied to the device, formation of conductive channels in the gaps and through the conducting polymer, and in response to removal of the electrical signal, dissolution of the conductive channels. A device arrangement for an artificial neural network is also provided, having the device, and an electrode arrangement electrically coupled to the device, the electrode arrangement being configured for electrical signal measurements.

一种硒化生物质碳材料及其制备方法

NºPublicación:  CN121317706A 13/01/2026
Solicitante: 
扬州大学四川硒川生物科技有限公司
CN_121317706_PA

Resumen de: CN121317706A

本发明公开了生物质碳材料领域内的一种硒化生物质碳材料及其制备方法,该方法以树木落叶为生物质碳源,经破壁粉碎后,将树叶在硒化钠/亚硒酸钠混合液中室温下浸渍,使硒与碳骨架形成C‑Se键,完成硒化;随后在氮气氛围下煅烧,获得硒碳材料。最后将制备的硒碳材料加入到有机酸与长链胺混合液中,浸泡活化,即得到该硒化生物质碳材料。该材料同时具有广谱抗菌活性和优异抗氧化活性。所用原料廉价可再生,全程绿色工艺能耗低、无二次污染,符合碳中和战略,且材料可进一步加工成医用敷料、食品保鲜涂层、水净化滤芯或抗氧化包装膜,实现一剂多用,产业化前景明确。

カーボンナノチューブ分散液、電極製造用スラリー、および二次電池

NºPublicación:  JP2026501003A 13/01/2026
Solicitante: 
ドンジンセミケムカンパニーリミテッド
JP_2026501003_PA

Resumen de: CN120379932A

The present invention relates to a carbon nanotube dispersion liquid, a slurry for manufacturing an electrode containing a carbon nanotube, and a secondary battery, which can improve the performance of a secondary battery containing the carbon nanotube by controlling the particle size and content of the carbon nanotube.

原位生长碳纳米管负载铁钴双功能催化剂及其制备方法与应用

NºPublicación:  CN121331844A 13/01/2026
Solicitante: 
深圳职业技术大学
CN_121331844_PA

Resumen de: CN121331844A

本发明公开了一种原位生长碳纳米管负载铁钴双功能催化剂及其制备方法与应用,涉及锌‑空气电池技术领域,其中,原位生长碳纳米管负载铁钴双功能催化剂,包括氮铁共掺杂的碳纳米管导电网络和负载于所述碳纳米管导电网络上的铁钴金属原子;本发明以氮铁共掺杂的碳纳米管作为导电网络,在不影响碳纳米管稳定结构的同时具有丰富的孔隙结构、丰富的铁基活性位点以及高比表面积,使铁钴金属原子更容易附着在碳纳米管上,表现出优异的催化性能;接着在导电网络上负载铁钴金属原子,使得更多的铁钴金属原子均匀、牢固附着在碳纳米管导电网络上,通过铁钴双原子催化活性位点之间的相互作用,实现ORR和OER的双功能催化,提高锌‑空气电池的性能。

一种高量子产率、窄半峰宽的红光碳量子点的制备方法和应用

NºPublicación:  CN121319922A 13/01/2026
Solicitante: 
北京师范大学
CN_121319922_A

Resumen de: CN121319922A

本发明涉及纳米材料领域,具体涉及一种高量子产率、窄半峰宽的红光碳量子点的制备方法和应用。本发明首次实现了红光碳量子点在高量子产率、窄半峰宽和长波长发射等多项关键性能上的协同兼顾,能够灵活实现电致发光二极管器件多种发光颜色,极大地拓展了器件的应用范围。在不同掺杂比例下,所制备的器件具有较高的亮度、和发光色纯度,优于现有相关器件,显示出本发明材料及结构对器件性能的优异兼容性。

单壁碳纳米管、底吹法制备单壁碳纳米管的装置及方法

Nº publicación: CN121317714A 13/01/2026

Solicitante:

江西铜业技术研究院有限公司

CN_121317714_PA

Resumen de: CN121317714A

本发明公开了一种单壁碳纳米管、底吹法制备单壁碳纳米管的装置及方法。底吹法制备单壁碳纳米管的方法包括:将催化剂置于反应室的第一温区内,并保持熔融态;将合成单壁碳纳米管所需的气态碳源、气态助剂通入混气室内,混合形成第一混合体系,使所述第一混合体系通过通孔首先进入熔融催化剂中,并形成包含催化剂和第一混合体系的反应泡,在反应泡内,所述碳源发生预分解,并与所述助剂、所述催化剂混合接触形成第二混合体系,待反应泡到达第二温区后,所述第二混合体系发生合成反应形成单壁碳纳米管,同时,反应泡发生破裂,碳源可迅速生长为单壁碳纳米管。

traducir